Каталог запасных частей к технике: KRONE BIG-M-I. Hydr.ground drive

Hydr.ground drive

zoom-in zoom-out enlarge shrink circle-right circle-left file-text2 info cart
1
1
1
2
3
4
4
4
4
5
5
5
6
6
7
7
7
8
9
11
12
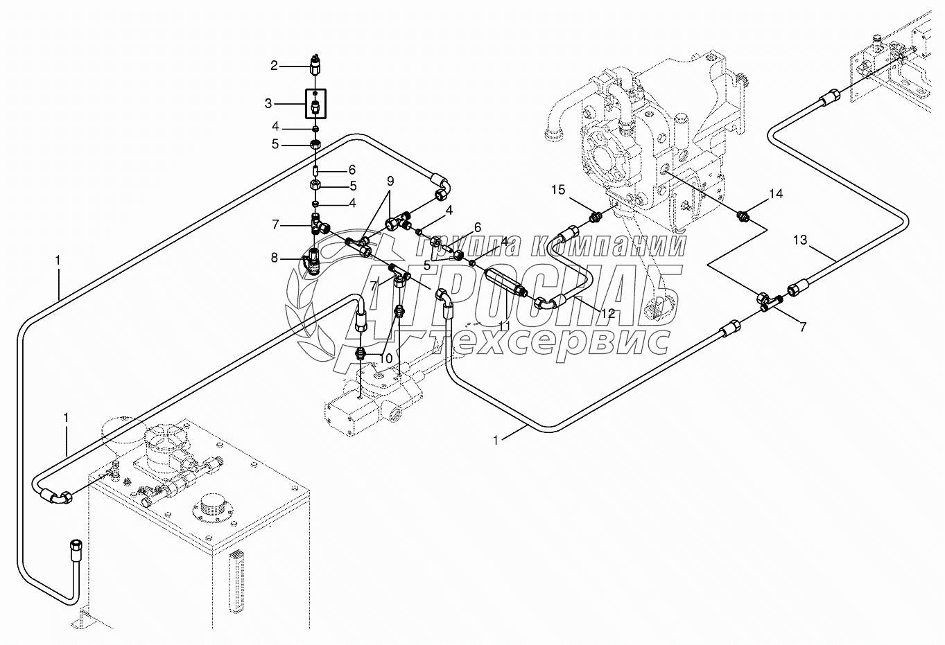
Изображение Артикул товара Наименование Наличие Единица измерения Количество Цена Корзина
1
009209720 High pressure hose line Под заказ -
2
003021890 Pressure switch Под заказ -
3
009209190 Connector Под заказ -
4
009210461 Cutting ring Под заказ -
5
009212060 Nozzle disc cap Под заказ -
6
002307430 Double nipple Под заказ -
7
009210771 T-connector Под заказ -
8
009208680 Connector f.mini-test equipm. Под заказ -
9
009210791 Adjustable L connection Под заказ -
10
009208180 Male connector Под заказ -
11
009210160 High pressure hose line Под заказ -
12
009208950 Male connector Под заказ -
Содержащиеся в справочниках-каталогах запасные части и детали не предлагаются к продаже, а носят исключительно информационный характер


Наши преимущества