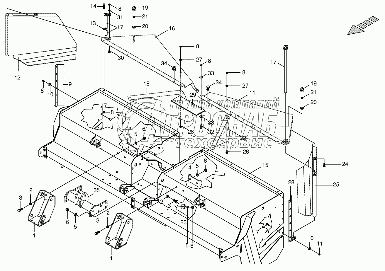
Каталог запасных частей к технике: KRONE BIG-M-I. Tine conditioner housing, assembled

Tine conditioner housing, assembled

zoom-in zoom-out enlarge shrink circle-right circle-left file-text2 info cart
1
1
1
2
2
2
3
3
3
3
4
4
4
4
5
5
6
6
6
6
6
6
7
7
8
19
9
10
10
11
11
12
12
13
14
15
15
16
16
17
18
8
19
8
19
20
20
Изображение Артикул товара Наименование Наличие Единица измерения Количество Цена Корзина
1
009103031 Washer Под заказ -
2
009006750 Hex head bolt Под заказ -
3
009099121 Detent edged washer Под заказ -
4
009087161 Locknut Под заказ -
5
009048501 Coach bolt Под заказ -
6
009087580 Locknut Под заказ -
7
009105102 Washer Под заказ -
8
009103530 Washer Под заказ -
9
009014330 Hex head bolt Под заказ -
10
009095031 Lifting eye nut Под заказ -
11
009103470 Washer Под заказ -
12
009105061 Washer Под заказ -
13
009103560 Washer Под заказ -
14
009048842 Coach bolt Под заказ -
15
009047512 Coach bolt Под заказ -
16
009106090 Washer Под заказ -
17
009104140 Washer Под заказ -
18
009006360 Hex head bolt Под заказ -
19
009103530 Washer Под заказ -
20
009095020 Lifting eye nut Под заказ -
Содержащиеся в справочниках-каталогах запасные части и детали не предлагаются к продаже, а носят исключительно информационный характер


Наши преимущества