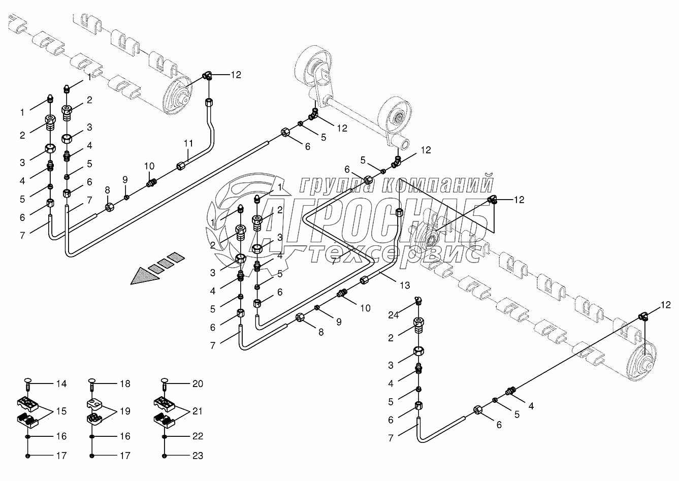
Каталог запасных частей к технике: KRONE BIG-M-420. Tine conditioner Lubricating line

Tine conditioner Lubricating line

zoom-in zoom-out enlarge shrink circle-right circle-left file-text2 info cart
1
1
1
1
2
2
2
2
2
3
3
3
3
3
4
4
4
4
4
4
4
4
5
5
5
5
5
5
5
5
6
6
6
6
6
7
7
8
8
9
9
10
10
10
10
10
11
12
13
13
14
14
15
16
17
18
Изображение Артикул товара Наименование Наличие Единица измерения Количество Цена Корзина
1
009191050 Grease niple Под заказ -
2
009385150 Tube union Под заказ -
3
009080191 Hex nut Под заказ -
4
009209160 Cutting ring Под заказ -
5
009209050 Nozzle disc cap Под заказ -
6
009389330 Plastic tube filled with grease-Id.-no.= 1m Под заказ -
7
009210391 Nozzle disc cap Под заказ -
8
009210451 Cutting ring Под заказ -
9
009210491 Connector Под заказ -
10
009209211 Elbow union Под заказ -
11
009047141 Coach bolt Под заказ -
12
009251380 Tube clamp-2 halves Под заказ -
13
009103511 Washer Под заказ -
14
009087041 Locknut Под заказ -
15
009251050 Tube clamp-2 halves Под заказ -
16
009104130 Washer Под заказ -
17
009087060 Locknut Под заказ -
18
009191060 Grease niple Под заказ -
Содержащиеся в справочниках-каталогах запасные части и детали не предлагаются к продаже, а носят исключительно информационный характер


Наши преимущества