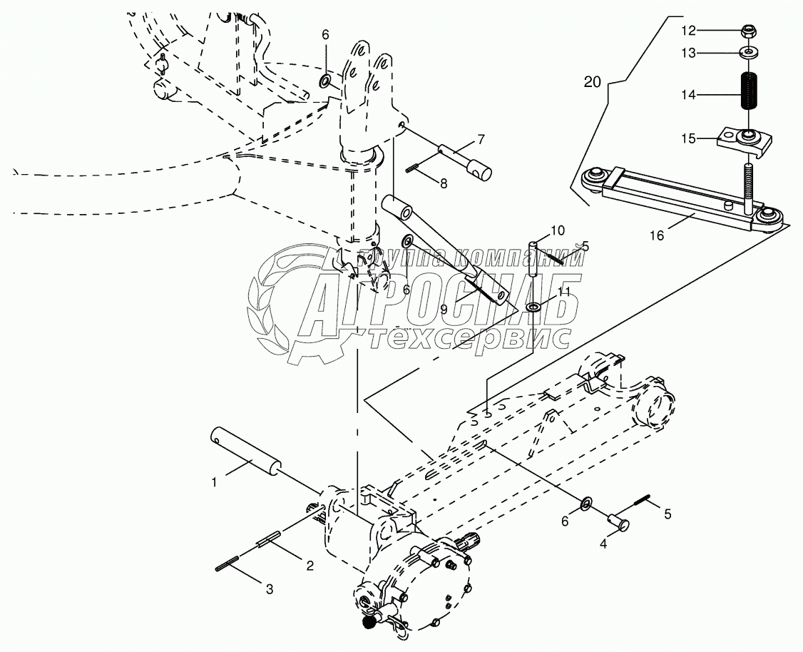
Каталог запасных частей к технике: KRONE AM 243CV. Beam with break away

Beam with break away

zoom-in zoom-out enlarge shrink circle-right circle-left file-text2 info cart
1
2
3
3
4
4
4
5
6
7
8
9
10
Изображение Артикул товара Наименование Наличие Единица измерения Количество Цена Корзина
1
009126812 Roll pin Под заказ -
2
009160821 Pin Под заказ -
3
009126162 Roll pin Под заказ -
4
009105122 Washer Под заказ -
5
009126732 Roll pin Под заказ -
6
009108261 Shim ring Под заказ -
7
009087210 Locknut Под заказ -
8
009106250 Washer Под заказ -
9
001391782 Pressure spring Под заказ -
10
001390541 Ratchet Под заказ -
Содержащиеся в справочниках-каталогах запасные части и детали не предлагаются к продаже, а носят исключительно информационный характер


Наши преимущества