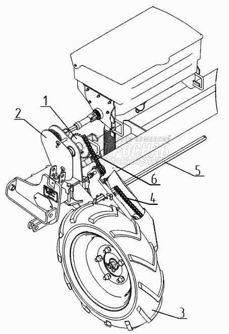
Каталог запасных частей к технике: Красная Звезда УПС-8 (Веста-8). Привод туковысевающего аппарата

Привод туковысевающего аппарата

zoom-in zoom-out enlarge shrink circle-right circle-left file-text2 info cart
1
2
3
4
5
6
7
Изображение Артикул товара Наименование Наличие Единица измерения Количество Цена Корзина
1
ЗТЗУ00.120-04 Звездочка Под заказ -
2
Туковысевающаясистема Туковысевающая система Под заказ -
3
509.046.6020 Опорно-приводное колесо Под заказ -
4
509.046.6020-01 Опорно-приводное колесо Под заказ -
5
509.046.6190 Цепь ПР 15,875-23-2 Под заказ -
6
509.046.6431 Вал Под заказ -
7
509046.6180 Цепь ПР-15,875-23-2 Под заказ -
Содержащиеся в справочниках-каталогах запасные части и детали не предлагаются к продаже, а носят исключительно информационный характер


Наши преимущества