Каталог запасных частей к технике: Красная Звезда УПС-12. Вентилятор 509.046.2200Б

Вентилятор 509.046.2200Б

zoom-in zoom-out enlarge shrink circle-right circle-left file-text2 info cart
1
2
1
2
3
4
5
6
7
8
8
9
10
11
12
13
14
Изображение Артикул товара Наименование Наличие Единица измерения Количество Цена Корзина
1
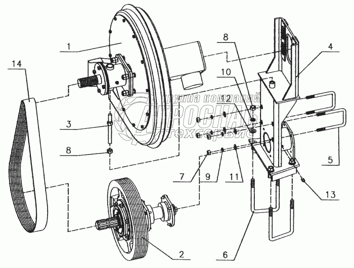
509.046.2200Б Вентилятор (верхний вал) Под заказ -
2
509.046.2200Б Вентилятор (верхний вал) Под заказ -
3
509.046.2100 Винт Под заказ -
4
509.046.2180Б Стойка Под заказ -
5
509.046.6073-01 Скоба Под заказ -
6
509.046.6073-06 Скоба Под заказ -
7
Гайка М10-6Н.6.010 ГОСТ 5915-70 Гайка М10-6Н.6.010 ГОСТ 5915-70 Под заказ -
8
Гайка М12-6Н.6.010 ГОСТ 5915-70 Гайка М12-6Н.6.010 ГОСТ 5915-70 Под заказ -
9
Шайба 10 65Г 019 ГОСТ 6402-70 Шайба 10 65Г 019 ГОСТ 6402-70 Под заказ шт 0 ₽
10
Шайба 12 65Г 019 ГОСТ 6402-70 Шайба 12 65Г 019 ГОСТ 6402-70 Под заказ -
11
Шайба С10.01.10.019 ГОСТ 11371-78 Шайба С10.01.10.019 ГОСТ 11371-78 Под заказ -
12
Шайба С12.01 10.019 ГОСТ 11371-78 Шайба С12.01 10.019 ГОСТ 11371-78 Под заказ -
13
Масленка 1,2 Ц6хр. ГОСТ 19853-74 Масленка 1,2 Ц6хр. ГОСТ 19853-74 Под заказ -
14
Ремень 18К 1400 ТУ 38.105.763-89 Ремень 18К 1400 ТУ 38.105.763-89 Под заказ -
Содержащиеся в справочниках-каталогах запасные части и детали не предлагаются к продаже, а носят исключительно информационный характер


Наши преимущества