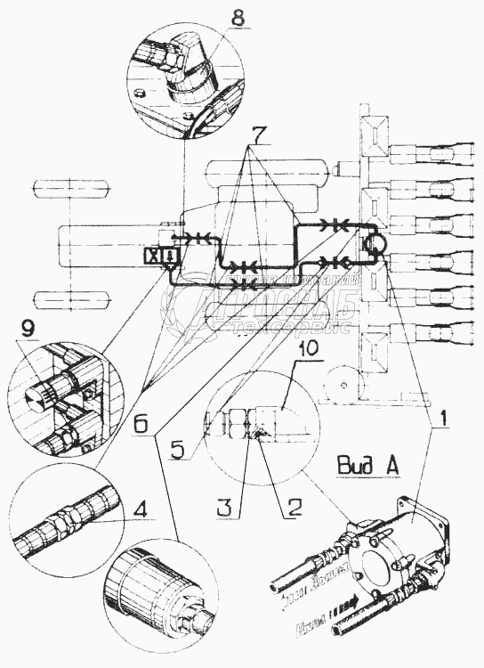
Каталог запасных частей к технике: Красная Звезда СУПН-8. Схема гидропривода вентилятора

Схема гидропривода вентилятора

zoom-in zoom-out enlarge shrink circle-right circle-left file-text2 info cart
1
2
3
9
4
5
7
6
5
7
8
3
9
10
Изображение Артикул товара Наименование Наличие Единица измерения Количество Цена Корзина
1
Гидромотор шестеренный ГМШ 32-ЗЛ-Г ОСТ 23.1.172 Гидромотор шестеренный ГМШ 32-ЗЛ-Г ОСТ 23.1.172 Под заказ -
2
Кольцо 024-028-25-2-2 ГОСТ 9833/ГОСТ 18829 Кольцо 024-028-25-2-2 ГОСТ 9833/ГОСТ 18829 Под заказ -
3
Н 036.04.014 Штуцер ввертной Под заказ -
4
Н 036.02.005 Штуцер проходной Под заказ -
5
Н-036.85.120 Рукав высокого давления II-16, армированный Под заказ -
6
Н 036.52.000 Муфта разрывная Под заказ -
7
Н-036.85.120 Рукав высокого давления II-16, армированный Под заказ -
8
СУПА.00.1180 Переходник Под заказ -
9
Н 036.04.014 Штуцер ввертной Под заказ -
10
СУПА.00.107 Муфта угловая Под заказ -
Содержащиеся в справочниках-каталогах запасные части и детали не предлагаются к продаже, а носят исключительно информационный характер


Наши преимущества