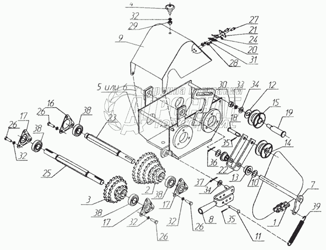
Каталог запасных частей к технике: Красная Звезда ССТ-12В. Механизм передач 509.046.1720

Механизм передач 509.046.1720

zoom-in zoom-out enlarge shrink circle-right circle-left file-text2 info cart
1
2
3
4
5
6
7
8
9
10
11
12
13
14
15
16
17
17
17
18
19
20
21
22
23
24
25
26
26
26
26
27
28
29
30
31
32
32
32
32
33
34
34
35
35
36
37
38
38
38
38
39
Изображение Артикул товара Наименование Наличие Единица измерения Количество Цена Корзина
1
С 20.30 Цепь Под заказ -
2
СУПА 00.1230 Блок Под заказ -
3
СУПА 00.1240 Блок Под заказ -
4
Н 126.17.030-02 Ручка Под заказ -
5
509.046.1630 Корпус Под заказ -
6
509.046.1630-01 Корпус Под заказ -
7
509.046.2330 Вал Под заказ -
8
509.046.2340 Рычаг Под заказ -
9
509.046.2390 Крышка Под заказ -
10
С 9.401 Шайба Под заказ -
11
С 32.601-06 Штырь Под заказ -
12
СГЖ-433 Шайба Под заказ -
13
СУПА.00.013 Втулка Под заказ -
14
СУПА 00.016 Ролик В наличии шт 54 ₽54 ₽
15
СУПА.00.016-01 Ролик Под заказ -
16
СУПА.00.4044-01 Крышка Под заказ -
17
СУПА.00.4044-02 Крышка Под заказ -
18
СУПА.00.642 Штырь Под заказ -
19
СУПА 00.668 Ось Под заказ -
20
509.046.4161 Накладка Под заказ -
21
509.046.4163 Накладка Под заказ -
22
509.046.5011 Кронштейн Под заказ -
23
509.046.6001-01 Вал Под заказ -
24
509.046.6059 Защелка Под заказ -
25
509.046.6068 Вал Под заказ -
26
Болт М8-6gх16.58.019 ГОСТ 7796-70 Болт М8-6gх16.58.019 ГОСТ 7796-70 Под заказ -
27
Винт М5-6gх12.58.019 ГОСТ 17473-80 Винт М5-6gх12.58.019 ГОСТ 17473-80 Под заказ -
28
Гайка М5-6Н.6.019 ГОСТ 5915-70 Гайка М5-6Н.6.019 ГОСТ 5915-70 Под заказ -
29
Гайка М8-6Н.6.019 ГОСТ 5915-70 Гайка М8-6Н.6.019 ГОСТ 5915-70 Под заказ -
30
Гайка М12-6Н.6.019 ГОСТ 5915-70 Гайка М12-6Н.6.019 ГОСТ 5915-70 Под заказ -
31
Шайба 5 65Г 019 ГОСТ 6402-70 Шайба 5 65Г 019 ГОСТ 6402-70 Под заказ -
32
Шайба 8 65Г 019 ГОСТ 6402-70 Шайба 8 65Г 019 ГОСТ 6402-70 Под заказ шт 0 ₽
33
Шайба 12 65Г 019 ГОСТ 6402-70 Шайба 12 65Г 019 ГОСТ 6402-70 Под заказ -
34
Шайба С12.01.10.019 ГОСТ 11371-78 Шайба С12.01.10.019 ГОСТ 11371-78 Под заказ -
35
Шплинт 3,2х20.019 ГОСТ 397-79 Шплинт 3,2х20.019 ГОСТ 397-79 Под заказ -
36
Шплинт 4х22.019 ГОСТ 397-79 Шплинт 4х22.019 ГОСТ 397-79 Под заказ -
37
Шплинт 5х28.019 ГОСТ 397-79 Шплинт 5х28.019 ГОСТ 397-79 Под заказ -
38
Подшипник 180204 ГОСТ 8882-75 Подшипник 180204 ГОСТ 8882-75 Под заказ -
39
552.7.009 Пружина Под заказ -
Содержащиеся в справочниках-каталогах запасные части и детали не предлагаются к продаже, а носят исключительно информационный характер


Наши преимущества