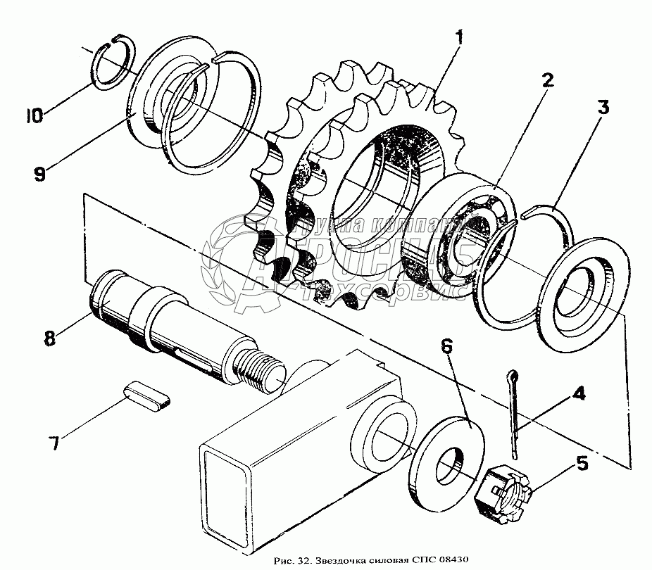
Каталог запасных частей к технике: Красная Звезда СПС-4,2А. Звездочка силовая СПС08430

Звездочка силовая СПС08430

zoom-in zoom-out enlarge shrink circle-right circle-left file-text2 info cart
1
2
3
4
5
6
7
8
9
10
11
Изображение Артикул товара Наименование Наличие Единица измерения Количество Цена Корзина
1
СПС08430 Звездочка силовая Под заказ -
2
СПС08639 Блок звездочек Под заказ -
3
18Р306КС17 Подшипник ГОСТ8882-76 Под заказ -
4
2С72 Кольцо ГОСТ13941-86 Под заказ -
5
[Шплинт 4х36.019 ГОСТ397-79] Шплинт 4х36.019 ГОСТ397-79 Под заказ -
6
[Гайка М20-6Н.8.019 ГОСТ5919-73] Гайка М20-6Н.8.019 ГОСТ5919-73 Под заказ -
7
КТ4147А Шайба специальная Под заказ -
8
[Шпонка 8х7х25 ГОСТ23360-78] Шпонка 8х7х25 ГОСТ23360-78 Под заказ -
9
СПС08641 Ось Под заказ -
10
ННД35.401 Шайба защитная ННД35-66 Под заказ -
11
2С30 Кольцо ГОСТ13940-86 Под заказ -
Содержащиеся в справочниках-каталогах запасные части и детали не предлагаются к продаже, а носят исключительно информационный характер


Наши преимущества