Каталог запасных частей к технике: Красная Звезда СПС-4,2А. Шасси СПТ02000

Шасси СПТ02000

zoom-in zoom-out enlarge shrink circle-right circle-left file-text2 info cart
1
2
3
4
5
6
7
8
9
10
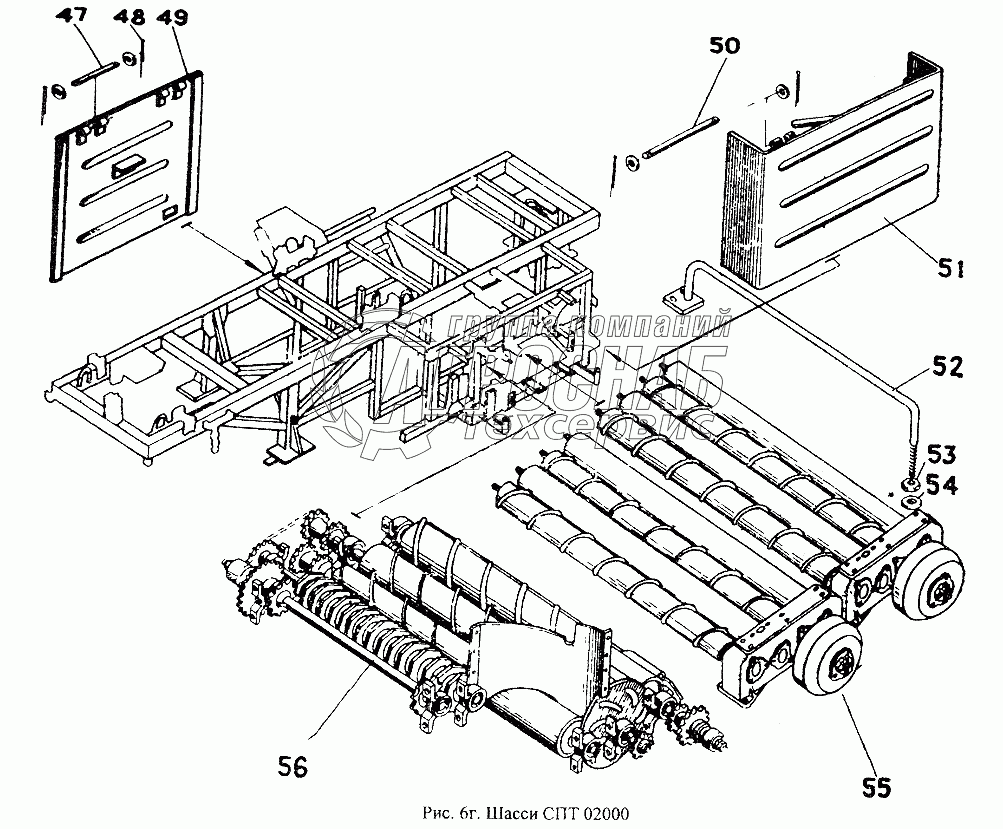
Изображение Артикул товара Наименование Наличие Единица измерения Количество Цена Корзина
1
СПС02605-02 Штырь Под заказ -
2
[Шплинт 3,2х20019 ГОСТ397-79] Шплинт 3,2х20019 ГОСТ397-79 Под заказ -
3
СПС02650 Щиток Под заказ -
4
СПС02605 Штырь Под заказ -
5
СПС31000 Ограждение Под заказ -
6
СПС021120 Пруток Под заказ -
7
[Гайка М16-6Н.6.019 ГОСТ5915-70] Гайка М16-6Н.6.019 ГОСТ5915-70 Под заказ -
8
[Шайба С12х2.019 ГОСТ11371-78] Шайба С12х2.019 ГОСТ11371-78 Под заказ -
9
СПС20000-01 Очиститель шнековый Под заказ -
10
СПС19000 Рассредоточитель Под заказ -
Содержащиеся в справочниках-каталогах запасные части и детали не предлагаются к продаже, а носят исключительно информационный характер


Наши преимущества