Каталог запасных частей к технике: Красная Звезда СПС-4,2А. Редуктор СПС08530

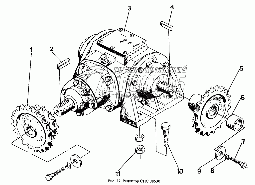
Редуктор СПС08530

zoom-in zoom-out enlarge shrink circle-right circle-left file-text2 info cart
1
2
3
4
5
6
7
8
9
10
11
12
Изображение Артикул товара Наименование Наличие Единица измерения Количество Цена Корзина
1
СПС08530 Редуктор Под заказ -
2
СПС06540 Блок звездочек Под заказ -
3
[Шпонка 10х8х45 ГОСТ23360-78] Шпонка 10х8х45 ГОСТ23360-78 Под заказ -
4
Н.090.40.000-223 Редуктор унифицированный Под заказ -
5
[Шпонка 10х8х40 ГОСТ23360-78] Шпонка 10х8х40 ГОСТ23360-78 Под заказ -
6
РКС6.11673-01 Звездочка Под заказ -
7
КТ70809-06 Втулка Под заказ -
8
[Болт М10-6gх35.58.019 ГОСТ7796-70] Болт М10-6gх35.58.019 ГОСТ7796-70 Под заказ -
9
[Шайба 10.65Г.05 ГОСТ6402-70] Шайба 10.65Г.05 ГОСТ6402-70 Под заказ -
10
КТ4245 Шайба специальная Под заказ -
11
[Болт М16-6gх60.66.019 ГОСТ7796-70] Болт М16-6gх60.66.019 ГОСТ7796-70 Под заказ -
12
[Гайка М16-6Н.6.019 ГОСТ5915-70] Гайка М16-6Н.6.019 ГОСТ5915-70 Под заказ -
Содержащиеся в справочниках-каталогах запасные части и детали не предлагаются к продаже, а носят исключительно информационный характер


Наши преимущества