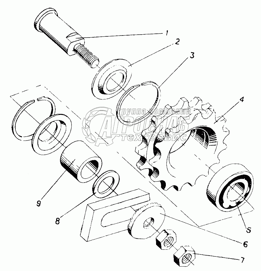
Каталог запасных частей к технике: Красная Звезда СПС-4,2А. Натяжное устройство КТ22020А

Натяжное устройство КТ22020А

zoom-in zoom-out enlarge shrink circle-right circle-left file-text2 info cart
1
2
3
4
5
6
7
8
9
10
Изображение Артикул товара Наименование Наличие Единица измерения Количество Цена Корзина
1
КТ22020А Натяжное устройство Под заказ -
2
КТ22602 Ось Под заказ -
3
КТ48404 Шайба защитная Под заказ -
4
2С62 Кольцо ГОСТ13941-86 Под заказ -
5
КТ22603 Звездочка (z=14, t=25,4) Под заказ -
6
180206С9 Подшипник ГОСТ8882-75 Под заказ -
7
Н.206.01.006А Шайба Под заказ -
8
[Гайка М16-6Н.019 ГОСТ5815-70] Гайка М16-6Н.019 ГОСТ5815-70 Под заказ -
9
КТ36405 Шайба регулировочная Под заказ -
10
СПС19809-04 Втулка Под заказ -
Содержащиеся в справочниках-каталогах запасные части и детали не предлагаются к продаже, а носят исключительно информационный характер


Наши преимущества