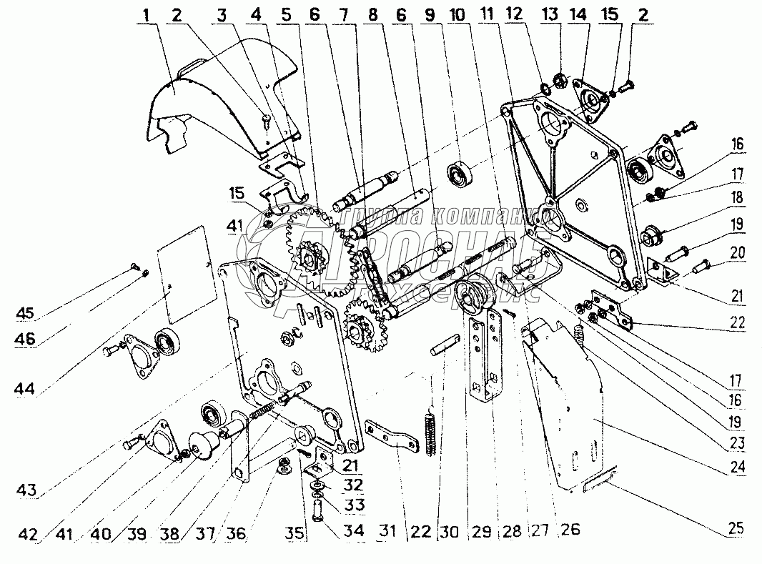
Каталог запасных частей к технике: Красная Звезда СОН-4,2. Механизм передач СОУ00.060

Механизм передач СОУ00.060

zoom-in zoom-out enlarge shrink circle-right circle-left file-text2 info cart
2
3
3
4
5
6
7
7
8
9
10
11
12
13
14
15
16
16
17
17
18
18
19
20
20
21
22
22
23
23
24
25
26
27
28
29
30
31
32
33
34
35
36
37
38
39
40
41
42
42
43
44
45
46
47
Изображение Артикул товара Наименование Наличие Единица измерения Количество Цена Корзина
1
СОУ00.460-01 Щиток Под заказ -
2
СОУ00.460 Щиток Под заказ -
3
[Болт М8-6gх16.58.019 ГОСТ7796] Болт М8-6gх16.58.019 ГОСТ7796 Под заказ -
4
СОУ00.466 Накладка Под заказ -
5
СОУ00.465 Скобка Под заказ -
6
СОУ00.400-01 Блок Под заказ -
7
СОУ00.627 Стяжка Под заказ -
8
С20.80 Цепь (t=15,875, 54 зв., L=841,375мм) Под заказ -
9
СОУ00.625 Вал Под заказ -
10
180204 Подшипник ГОСТ8882 В наличии шт 83 ₽83 ₽
11
СОУ00.626 Вал Под заказ -
12
СОУ00.007-01 Боковина Под заказ -
13
[Шайба 16.65Г.019 ГОСТ6402] Шайба 16.65Г.019 ГОСТ6402 Под заказ -
14
[Гайка М16-6Н.6.019 ГОСТ5915] Гайка М16-6Н.6.019 ГОСТ5915 Под заказ -
15
СУПА00.4044 Крышка Под заказ -
16
[Шайба 8.65Г.019] Шайба 8.65Г.019 Под заказ -
17
[Гайка М10-6.Н.6.019 ГОСТ5915] Гайка М10-6.Н.6.019 ГОСТ5915 Под заказ -
18
[Шайба 10.65Г.019 ГОСТ6402] Шайба 10.65Г.019 ГОСТ6402 Под заказ -
19
СУПА00.013 Втулка Под заказ -
20
[Болт М10-6gх35.58.019 ГОСТ7796] Болт М10-6gх35.58.019 ГОСТ7796 Под заказ -
21
[Болт М10-6gх30.58.019 ГОСТ7796] Болт М10-6gх30.58.019 ГОСТ7796 Под заказ -
22
СОУ00.711 Уголок Под заказ -
23
СОУ00.533 Планка Под заказ -
24
Н.126.01.601 Пружина Под заказ -
25
СОУ00.450 Кожух Под заказ -
26
СОУ00.632 Шплинт пружинный Под заказ -
27
СОУ00.532 Скоба Под заказ -
28
[Шплинт 3,2х18.019 ГОСТ397] Шплинт 3,2х18.019 ГОСТ397 Под заказ -
29
СОУ00.531 Кронштейн Под заказ -
30
СУПА00.016 Ролик Под заказ -
31
СОУ00.634 Ось Под заказ -
32
СОУ00.400 Блок Под заказ -
33
[Шайба С12х2.01.10.019 ГОСТ11371] Шайба С12х2.01.10.019 ГОСТ11371 Под заказ -
34
[Шайба 12.65Г.019 ГОСТ6402] Шайба 12.65Г.019 ГОСТ6402 Под заказ -
35
[Болт М12-6gх30.66.019 ГОСТ7796] Болт М12-6gх30.66.019 ГОСТ7796 Под заказ -
36
[Шплинт 3,2х25.019 ГОСТ397] Шплинт 3,2х25.019 ГОСТ397 Под заказ -
37
[Гайка М12-6Н.6.019 ГОСТ5915] Гайка М12-6Н.6.019 ГОСТ5915 Под заказ -
38
СОУ00.430 Ручка Под заказ -
39
СОУ00.633 Фиксатор Под заказ -
40
552.6.011 Пружина Под заказ -
41
СОУ00.006 Ручка Под заказ -
42
[Гайка М8-6Н.6.019 ГОСТ5915] Гайка М8-6Н.6.019 ГОСТ5915 Под заказ -
43
СУПА00.4044-01 Крышка Под заказ -
44
СОУ00.007 Боковина Под заказ -
45
СОУ00.464 Щиток Под заказ -
46
[Винт ВМ6-6gх10.58.019 ГОСТ17473] Винт ВМ6-6gх10.58.019 ГОСТ17473 Под заказ -
47
[Шайба 6.65Г.019 ГОСТ6402] Шайба 6.65Г.019 ГОСТ6402 Под заказ -
Содержащиеся в справочниках-каталогах запасные части и детали не предлагаются к продаже, а носят исключительно информационный характер


Наши преимущества