Каталог запасных частей к технике: Красная Звезда КРНВ-5.6-02. Транспортное приспособление

Транспортное приспособление

zoom-in zoom-out enlarge shrink circle-right circle-left file-text2 info cart
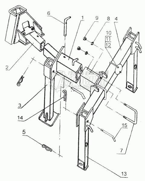
1
2
3
4
5
6
7
8
9
10
11
12
13
14
15
Изображение Артикул товара Наименование Наличие Единица измерения Количество Цена Корзина
1
КРН 46.010 Рама Под заказ -
2
СМЕ-28.000 Сница Под заказ -
3
КРН 46.110 Опора Под заказ -
4
СУПА 05.060 Брус Под заказ -
5
С 54.602-02 Шплинт пружинный Под заказ -
6
ССГ.00.682 Штырь (478335059308) Под заказ -
7
2М.20х102х120/40.56.Ц9хр ОСТ 23.2.10 Скоба Под заказ -
8
20.65Г.019 ГОСТ 6402 Шайба Под заказ -
9
М20-6Н.6.019. ГОСТ 5915 Гайка Под заказ -
10
СЗГ 00.4231-01 Щиток ограничения Под заказ -
11
КРН 6211 Скоба Под заказ -
12
М6-6Н.6.019 ГОСТ 5915 Гайка Под заказ -
13
КРН 46.100 Стойка Под заказ -
14
С54.602-01 Шплинт пружинный (477310267808) Под заказ -
15
СМЕ 20.602 Штырь Под заказ -
Содержащиеся в справочниках-каталогах запасные части и детали не предлагаются к продаже, а носят исключительно информационный характер


Наши преимущества