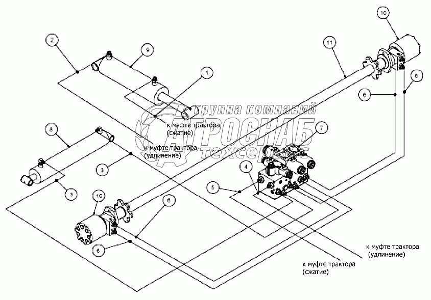
Каталог запасных частей к технике: Клевер ТПР-10. Чертеж сборки гидравлики тележки – 815602

Чертеж сборки гидравлики тележки – 815602

zoom-in zoom-out enlarge shrink circle-right circle-left file-text2 info cart
1
2
3
3
4
5
6
6
6
6
7
8
9
10
10
11
Изображение Артикул товара Наименование Наличие Единица измерения Количество Цена Корзина
1
815612 Сборка шланга гидравлического цилиндра опрокидывания кузова - втягивания Под заказ -
2
815614 Сборка шланга гидравлического цилиндра опрокидывания кузова - растягивание Под заказ -
3
815616 Шланг Под заказ -
4
815822 Гидравлический узел 1/2 x 142 нагнетательный трубопровод Под заказ -
5
815823 Гидравлический узел 1/2 x 142 обратный трубопровод Под заказ -
6
815605 Шланг Под заказ -
7
815846 Блок клапанов 2400 тележки Под заказ -
8
815839 Цилиндр 3.0 x 16.0 Inl с фитингами Под заказ -
9
815803 Цилиндр 4.0 x 12.0 Под заказ -
10
815679 Двигатель 22.2 куб. дюймов в сборе Под заказ -
11
815677 Сварная звездочка двигателя Под заказ -
Содержащиеся в справочниках-каталогах запасные части и детали не предлагаются к продаже, а носят исключительно информационный характер


Наши преимущества