Каталог запасных частей к технике: Клевер ППК-61 (-81) "Argus". Наклонная камера

Наклонная камера

zoom-in zoom-out enlarge shrink circle-right circle-left file-text2 info cart
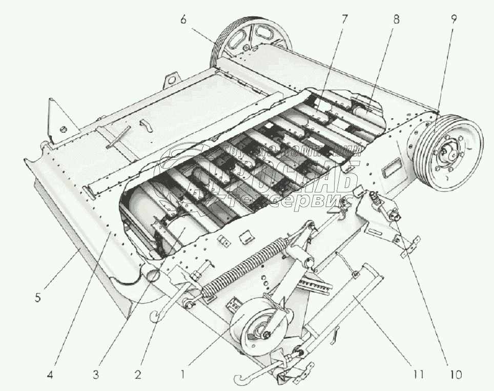
1
2
3
4
5
6
7
8
9
10
11
Изображение Артикул товара Наименование Наличие Единица измерения Количество Цена Корзина
1
ПКП-8.20.00.030 Шкив натяжной Под заказ -
2
3518060-16426 Крюк Под заказ -
3
ПКП-8.20.04.000А Вал нижний Под заказ -
4
ПКП-8.20.01.000 Корпус наклонной камеры Под заказ -
5
3518060-10061 Ремень Под заказ -
6
РСМ-10.27.02.010 Шкив Под заказ -
7
3518060-18350В Транспортер цепной Под заказ -
8
3518060-18420Г Вал верхний Под заказ -
9
ПКП-8.20.00.020А Шкив Под заказ -
10
3518060-18400А Труба с роликами Под заказ -
11
3518060-18450Б Упор гидроцилиндра Под заказ -
Содержащиеся в справочниках-каталогах запасные части и детали не предлагаются к продаже, а носят исключительно информационный характер


Наши преимущества