Каталог запасных частей к технике: ХТЗ Т-151К. Стеклоомыватель

Стеклоомыватель

zoom-in zoom-out enlarge shrink circle-right circle-left file-text2 info cart
1
2
3
4
5
5
6
7
8
9
10
11
12
13
14
Изображение Артикул товара Наименование Наличие Единица измерения Количество Цена Корзина
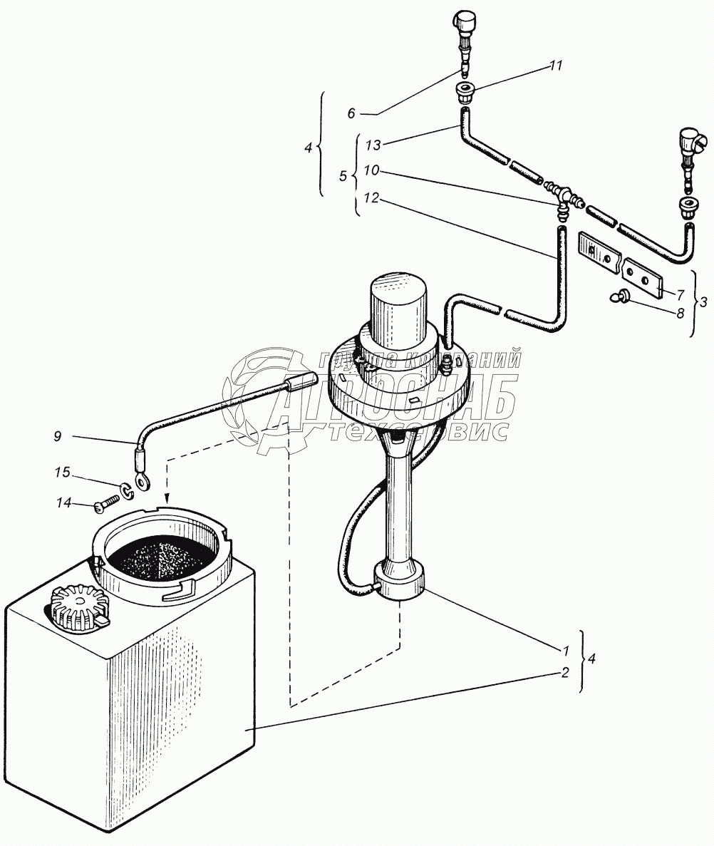
1
151.70.001 Стеклоомыватель Под заказ -
2
11.5208100 Насос с электродвигателем Под заказ -
3
11.5208200-01 Бачок омывателя Под заказ -
4
125.48.040 Лента крепежная в сборе Под заказ -
5
1102.5208000-02 Омыватель электрический Под заказ -
6
1102.5208300-01 Трубопровод Под заказ -
7
СО204-5208110 Жиклер Под заказ -
8
125.48.140 Лента крепежная Под заказ -
9
125.48.141 Фиксатор Под заказ -
10
151.48.469 Провод Под заказ -
11
2101-2/491255/1 Тройник Под заказ -
12
2101-5208084 Втулка Под заказ -
13
СО204-5208082-08 Трубка Под заказ -
14
СО206-5208011 Трубка Под заказ -
Содержащиеся в справочниках-каталогах запасные части и детали не предлагаются к продаже, а носят исключительно информационный характер


Наши преимущества