Каталог запасных частей к технике: ХТЗ Т-150К (2004). Пневмосистема

Пневмосистема

zoom-in zoom-out enlarge shrink circle-right circle-left file-text2 info cart
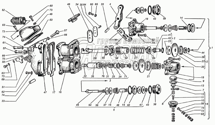
1
2
2
3
4
5
6
7
8
9
10
11
12
13
14
14
15
16
17
18
19
20
21
22
23
23
24
25
26
27
28
29
30
31
32
33
33
34
35
36
37
38
39
40
41
42
43
43
44
45
46
47
48
49
50
51
52
53
54
55
56
57
57
58
59
60
60
61
62
62
63
63
64
65
65
66
67
68
69
70
71
72
73
73
73
74
74
74
75
76
Изображение Артикул товара Наименование Наличие Единица измерения Количество Цена Корзина
1
130-3514010-Б Кран тормозной в сборе Под заказ -
2
130-3514075-Б2 Диафрагма Под заказ -
3
130-3514100-Б Пружина уравновешивающая тормозного крана малая со стаканом в сборе Под заказ -
4
130-3514140-Б Рычаг тормозного крана в сборе Под заказ -
5
130-3514210-А2 Клапан тормозного крана в сборе Под заказ -
6
131-3720100 Колодка Под заказ -
7
120-3720085 Основание контакта в сборе Под заказ -
8
120-3720092 Пружина основания контакта Под заказ -
9
120-3720095 Диафрагма включателя света стоп-сигнала Под заказ -
10
120-3720102 Контактная колодка Под заказ -
11
120-3720105 Болт контактный с контактом в сборе Под заказ -
12
120-3720112-Б Шина контактная Под заказ -
13
120-3720116 Прокладка Под заказ -
14
127-3514237-А Прокладка Под заказ -
15
127-3514238 Пружина клапана Под заказ -
16
130-3514020-Б Корпус тормозного крана Под заказ -
17
130-3514023 Прокладка корпуса тормозного крана Под заказ -
18
130-3514032-Б Крышка тормозного крана нижняя Под заказ -
19
130-3514033-Б Крышка тормозного крана верхняя Под заказ -
20
130-3514080 Диафрагма тормозного крана Под заказ -
21
130-3514085 Пружина поддиафрагменная тормозного крана Под заказ -
22
130-3514087 Пятка стакана тормозного крана Под заказ -
23
130-3514091 Шайба диафрагмы тормозного крана Под заказ -
24
130-3514096 Шайба опорная малой уравновешивающей пружины тормозного крана Под заказ -
25
130-3514101-Б Пружина уравновешивающая тормозного крана малая Под заказ -
26
130-3514102-Б Стакан малой уравновешивающей пружины тормозного крана Под заказ -
27
130-3514104 Пружина уравновешивающая тормозного крана большая Под заказ -
28
130-3514105 Шток тормозного крана Под заказ -
29
130-3514107-А Шайба опорная штока тормозного крана Под заказ -
30
130-3514108-А Направляющая штока тормозного крана Под заказ -
31
130-3514115-Б Прокладка регулировочная малой уравновешивающей пружины тормозного крана Под заказ -
32
130-3514143-Б Рычаг тормозного крана малый Под заказ -
33
130-3514167 Ось рычага тормозного крана Под заказ -
34
130-3514175 Уплотнитель выпускного отверстия тормозного крана Под заказ -
35
130-3514176 Крышка выпускного отверстия тормозного крана Под заказ -
36
130-3514211 Конус клапана тормозного крана Под заказ -
37
130-3514213 Шайба клапана тормозного крана большая Под заказ -
38
130-3514215-1 Пробка Под заказ -
39
130-3514219 Гайка диафрагмы тормозного крана Под заказ -
40
130-3514232 Седло клапана Под заказ -
41
130-3514235-Б Седло клапана тормозного крана выпускное Под заказ -
42
130-3514236 Прокладка выпускного седла клапана тормозного крана Под заказ -
43
130-3514237 Прокладка Под заказ -
44
130-3514239 Кольцо уплотнительное седла клапана тормозного крана Под заказ -
45
130-3514240-Б Стержень Под заказ -
46
130-3514243 Трубка стержня клапана тормозного крана Под заказ -
47
130-3514251-А Корпус Под заказ -
48
130-3514255 Валик рычага ручного привода тормозного крана Под заказ -
49
130-3514263-А2 Крышка Под заказ -
50
130-3514265 Крышка валика ручного привода тормозного крана Под заказ -
51
130-3514271 Прокладка Под заказ -
52
130-3514275-А1 Чехол Под заказ -
53
130-3514279 Прокладка корпуса рычагов тормозного крана Под заказ -
54
130-3514285 Шайба клапана тормозного крана малая Под заказ -
55
130-3514287 Полукольцо стопорное опорной шайбы штока тормозного крана Под заказ -
56
164-3720111 Болт сигнала Стоп Под заказ -
57
301294-П8 Болт Под заказ -
58
303193-П8 Гайка Под заказ -
59
А29.61.004 Пробка Под заказ -
60
М6х30.7795 Болт Под заказ -
61
М8х35.7795 Болт Под заказ -
62
М8х25.7796 Болт Под заказ -
63
М6х20.7798 Болт Под заказ -
64
М5х12.17473 Винт Под заказ -
65
М6.5915 Гайка Под заказ -
66
М8.5915 Гайка Под заказ -
67
М4.5927 Гайка Под заказ -
68
М5.5927 Гайка Под заказ -
69
16.3111 Заглушка Под заказ -
70
012-016-25-1-3.9833 Кольцо Под заказ -
71
В30.13943 Кольцо Под заказ -
72
565Г.6402 Шайба Под заказ -
73
665Г.6402 Шайба Под заказ -
74
865Г.6402 Шайба Под заказ -
75
5.01.11371 Шайба Под заказ -
76
12x2.04.11371 Шайба Под заказ -
Содержащиеся в справочниках-каталогах запасные части и детали не предлагаются к продаже, а носят исключительно информационный характер


Наши преимущества