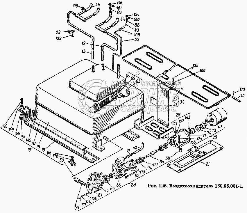
Каталог запасных частей к технике: ХТЗ Т-150К. Воздухоохладитель 150.95.001-1

Воздухоохладитель 150.95.001-1

zoom-in zoom-out enlarge shrink circle-right circle-left file-text2 info cart
1
2
3
3
4
5
6
7
8
8
8
9
10
11
12
13
14
15
16
17
18
19
20
21
22
23
24
25
26
27
28
29
30
31
32
33
34
35
36
37
38
39
38
39
40
41
42
43
44
45
46
47
48
49
50
51
52
53
54
55
56
51
52
53
54
55
56
51
52
53
54
55
56
51
52
53
54
55
56
51
52
53
54
55
56
51
52
53
54
55
56
57
58
59
60
61
62
63
64
65
66
61
62
63
64
65
66
61
62
63
64
65
66
61
62
63
64
65
66
61
62
63
64
65
66
61
62
63
64
65
66
67
68
69
70
71
67
68
69
70
71
67
68
69
70
71
67
68
69
70
71
67
68
69
70
71
72
73
74
75
76
74
75
76
74
75
76
77
78
79
80
Изображение Артикул товара Наименование Наличие Единица измерения Количество Цена Корзина
1
150.95.037 Трубка слива левая в сборе Под заказ -
2
150.95.038 Трубка слива правая в сборе Под заказ -
3
150.95.040-1 Бак для воды в сборе Под заказ -
4
150.95.041-1 Бак в сборе Под заказ -
5
150.95.043 Фильтр в сборе Под заказ -
6
150.95.044 Кронштейн бака в сборе Под заказ -
7
150.95.050 Кронштейн в сборе Под заказ -
8
150.95.070-1 Насос в сборе Под заказ -
9
150.95.083 Подножка в сборе Под заказ -
10
150.95.084 Площадка в сборе Под заказ -
11
150.95.086 Площадка с подножкой в сборе Под заказ -
12
150.95.317 Трубка подачи воды Под заказ -
13
150.95.317-01 Трубка Под заказ -
14
150.95.328 Шланг Под заказ -
15
150.95.328-01 Шланг Под заказ -
16
150.95.328-4 Шланг Под заказ -
17
150.95.334 Скоба Под заказ -
18
150.95.335 Труба подачи воды Под заказ -
19
150.95.408 Крышка Под заказ -
20
150.95.428 Прокладка Под заказ -
21
150.95.429 Прокладка Под заказ -
22
150.95.434 Прокладка Под заказ -
23
150.95.435 Амортизатор Под заказ -
24
150.95.476 Палец Под заказ -
25
150.95.509-1 Фланец двигателя Под заказ -
26
150.95.514 Прокладка Под заказ -
27
150.95.515 Муфта Под заказ -
28
150.95.517 Поводок Под заказ -
29
150.95.556 Штуцер Под заказ -
30
150.95.561-1 Валик насоса Под заказ -
31
150.95.566-1 Корпус насоса Под заказ -
32
150.95.567А Крыльчатка Под заказ -
33
150.95.570-1 Фланец насоса Под заказ -
34
150.95.592 Штуцер Под заказ -
35
150.95.617 Штуцер всасывающий Под заказ -
36
150.95.618 Крыльчатка Под заказ -
37
150.95.619-1 Прокладка Под заказ -
38
14.48.392 Втулка Под заказ -
39
14.48.392 Втулка Под заказ -
40
14.48.393 Втулка Под заказ -
41
МЭ-226 Электродвигатель Под заказ -
42
Подшипник 200 ГОСТ 8338-57 Подшипник 200 ГОСТ 8338-57 Под заказ -
43
Болт М6-6gх30.55.019 ГОСТ 7795-70 Болт М6-6gх30.55.019 ГОСТ 7795-70 Под заказ -
44
Болт М8-6gх12.66.019 ГОСТ 7796-70 Болт М8-6gх12.66.019 ГОСТ 7796-70 Под заказ -
45
Болт М8-6gх16.66.019 ГОСТ 7796-70 Болт М8-6gх16.66.019 ГОСТ 7796-70 Под заказ -
46
Шпилька АМ6 То/6gх16(10/12)66.019 ГОСТ 1 Шпилька АМ6 То/6gх16(10/12)66.019 ГОСТ 11765-66 Под заказ -
47
Винт М6-6gх12.58.019 ГОСТ 1489-62 Винт М6-6gх12.58.019 ГОСТ 1489-62 Под заказ -
48
Винт М6-6gх8.66.019 ГОСТ 1477-64 Винт М6-6gх8.66.019 ГОСТ 1477-64 Под заказ -
49
Винт М8-6gх16.58.019 ГОСТ 1490-62 Винт М8-6gх16.58.019 ГОСТ 1490-62 Под заказ -
50
Гайка М5-6Н.8.019 ГОСТ 5927-70 Гайка М5-6Н.8.019 ГОСТ 5927-70 Под заказ -
51
Гайка М8-7Н.6.019 ГОСТ 5915-70 Гайка М8-7Н.6.019 ГОСТ 5915-70 Под заказ -
52
Гайка М8-7Н.6.019 ГОСТ 5915-70 Гайка М8-7Н.6.019 ГОСТ 5915-70 Под заказ -
53
Гайка М8-7Н.6.019 ГОСТ 5915-70 Гайка М8-7Н.6.019 ГОСТ 5915-70 Под заказ -
54
Гайка М8-7Н.6.019 ГОСТ 5915-70 Гайка М8-7Н.6.019 ГОСТ 5915-70 Под заказ -
55
Гайка М8-7Н.6.019 ГОСТ 5915-70 Гайка М8-7Н.6.019 ГОСТ 5915-70 Под заказ -
56
Гайка М8-7Н.6.019 ГОСТ 5915-70 Гайка М8-7Н.6.019 ГОСТ 5915-70 Под заказ -
57
Гайка М8-6Н.8.019 ГОСТ 5927-70 Гайка М8-6Н.8.019 ГОСТ 5927-70 Под заказ -
58
Гайка М16-7Н.6.0П2 ГОСТ 5915-70 Гайка М16-7Н.6.0П2 ГОСТ 5915-70 Под заказ -
59
Гайка М18х1,5-7Н.6 ГОСТ 5915-70 Гайка М18х1,5-7Н.6 ГОСТ 5915-70 Под заказ -
60
Шайба 5-04.0112 ГОСТ 11371-68 Шайба 5-04.0112 ГОСТ 11371-68 Под заказ -
61
Шайба 6-04.0112 ГОСТ 11371-68 Шайба 6-04.0112 ГОСТ 11371-68 Под заказ -
62
Шайба 6-04.0112 ГОСТ 11371-68 Шайба 6-04.0112 ГОСТ 11371-68 Под заказ -
63
Шайба 6-04.0112 ГОСТ 11371-68 Шайба 6-04.0112 ГОСТ 11371-68 Под заказ -
64
Шайба 6-04.0112 ГОСТ 11371-68 Шайба 6-04.0112 ГОСТ 11371-68 Под заказ -
65
Шайба 6-04.0112 ГОСТ 11371-68 Шайба 6-04.0112 ГОСТ 11371-68 Под заказ -
66
Шайба 6-04.0112 ГОСТ 11371-68 Шайба 6-04.0112 ГОСТ 11371-68 Под заказ -
67
Шайба 8-04.0112 ГОСТ 11371-68 Шайба 8-04.0112 ГОСТ 11371-68 Под заказ -
68
Шайба 8-04.0112 ГОСТ 11371-68 Шайба 8-04.0112 ГОСТ 11371-68 Под заказ -
69
Шайба 8-04.0112 ГОСТ 11371-68 Шайба 8-04.0112 ГОСТ 11371-68 Под заказ -
70
Шайба 8-04.0112 ГОСТ 11371-68 Шайба 8-04.0112 ГОСТ 11371-68 Под заказ -
71
Шайба 8-04.0112 ГОСТ 11371-68 Шайба 8-04.0112 ГОСТ 11371-68 Под заказ -
72
Шайба 16-04 ГОСТ 11371-66 Шайба 16-04 ГОСТ 11371-66 Под заказ -
73
Шайба 18-04 ГОСТ 11371-68 Шайба 18-04 ГОСТ 11371-68 Под заказ -
74
Шайба 8.65Г.05 ГОСТ 6402-70 Шайба 8.65Г.05 ГОСТ 6402-70 Под заказ -
75
Шайба 8.65Г.05 ГОСТ 6402-70 Шайба 8.65Г.05 ГОСТ 6402-70 Под заказ -
76
Шайба 8.65Г.05 ГОСТ 6402-70 Шайба 8.65Г.05 ГОСТ 6402-70 Под заказ -
77
Шплинт 2,5х16.005 ГОСТ 397-66 Шплинт 2,5х16.005 ГОСТ 397-66 Под заказ -
78
Манжета 1-10х26-3 ГОСТ 8752-70 Манжета 1-10х26-3 ГОСТ 8752-70 Под заказ -
79
Пробка КГ1/8" Пробка КГ1/8" Под заказ -
80
Краник КРС 3/8" Краник КРС 3/8" Под заказ -
Содержащиеся в справочниках-каталогах запасные части и детали не предлагаются к продаже, а носят исключительно информационный характер


Наши преимущества