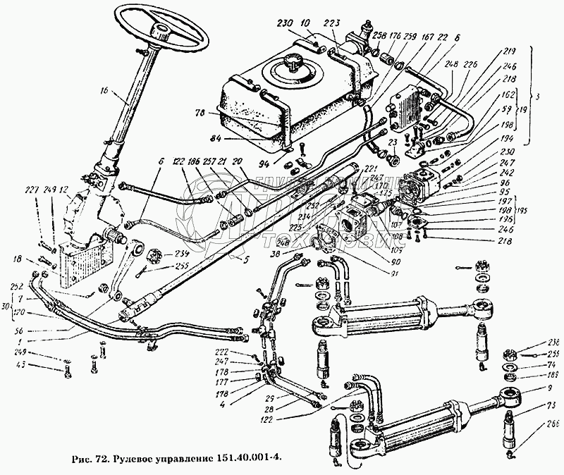
Каталог запасных частей к технике: ХТЗ Т-150К. Рулевое управление 151.40.001-4

Рулевое управление 151.40.001-4

zoom-in zoom-out enlarge shrink circle-right circle-left file-text2 info cart
2
3
4
5
6
7
8
9
10
11
12
13
14
15
16
17
18
19
20
21
22
23
24
25
26
27
28
29
30
31
32
33
34
35
36
37
38
39
39
40
41
42
43
44
45
46
46
47
48
49
50
51
52
53
54
55
56
57
53
54
55
56
57
53
54
55
56
57
53
54
55
56
57
53
54
55
56
57
58
59
58
59
58
59
60
61
60
61
62
63
62
63
64
65
64
65
66
67
68
69
70
71
70
71
72
72
73
74
76
77
78
76
77
78
76
77
78
79
80
81
79
80
81
79
80
81
79
80
81
82
83
82
83
82
83
84
84
85
85
86
87
86
87
86
87
88
89
90
91
Изображение Артикул товара Наименование Наличие Единица измерения Количество Цена Корзина
1
151.40.001-4 Рулевое управление в сборе Под заказ -
2
151.40.022-2 Тяга в сборе Под заказ -
3
151.40.026-1 Насос в сборе Под заказ -
4
151.40.027-1 Кронштейн трубок в сборе Под заказ -
5
151.40.028-1 Кронштейн в сборе Под заказ -
6
151.40.029-1 Труба сливная передняя в сборе Под заказ -
7
151.40.032-3 Труба от распределителя верхняя в сборе Под заказ -
8
151.40.039-1 Клапан расхода в сборе Под заказ -
9
151.40.040-3 Гидроцилиндр в споре Под заказ -
10
151.40.044-4 Бак гидросистемы в сборе Под заказ -
11
151.40.051-1 Рулевой механизм в сборе Под заказ -
12
151.40.056-1 Колонка рулевого управления в сборе Под заказ -
13
151.40.058 Кронштейн рулевого механизма в сборе Под заказ -
14
151.40.061-1 Муфта угловая в сборе Под заказ -
15
151.40.063-2 Труба от клапана к золотнику в сборе Под заказ -
16
151.40.064-2 Труба сливная в сборе Под заказ -
17
151.40.065 Труба от клапана к фильтру в сборе Под заказ -
18
151.40.066 Труба от бака к насосу в сборе Под заказ -
19
151.40.074 Труба верхняя в сборе Под заказ -
20
151.40.075 Труба нижняя в сборе Под заказ -
21
151.40.076 Труба со шлангом в сборе Под заказ -
22
151.40.148 Кольцо 1В72 ГОСТ 13841-68 Под заказ -
23
151.40.183 Болт 3М14.3х25.109 ГОСТ 7798-70 Под заказ -
24
151.40.216-1 Сошка рулевого управления Под заказ -
25
151.40.226 Муфта угловая Под заказ -
26
151.40.278 Палец Под заказ -
27
151.40.296 Шайба 36-015 ГОСТ 11371-68 Под заказ -
28
151.57.036-2 Лента крепления бака передняя в сборе Под заказ -
29
151.57.147-1 Прокладка верхняя Под заказ -
30
151.57.201-1 Корпус привода гидронасоса Под заказ -
31
151.57.206-1 Прокладка Под заказ -
32
151.57.246 Прокладка Под заказ -
33
151.57.272 Кольцо 1Б25 ГОСТ 13940-68 Под заказ -
34
151.57.275 Прокладка Под заказ -
35
150.53.131-1 Втулка муфты Под заказ -
36
150.53.132 Муфта предохранительная Под заказ -
37
150.53.133 Кольцо упорное Под заказ -
38
150.61.010 Рукав высокого давления П-3000 диаметр 16 Под заказ -
39
125.40.046-1 Шланг в сборе Под заказ -
40
125.40.242 Штуцер насоса Под заказ -
41
125.40.255 Шланг заборный Под заказ -
42
125.40.336 Крышка Под заказ -
43
125.57.207 Прокладка Под заказ -
44
125.57.208 Шланг Под заказ -
45
74.54.435 Труба резиновая Под заказ -
46
74.54.437 Зажим Под заказ -
47
8.24.143 Шланг Под заказ -
48
700А.34.00.013 Втулка Под заказ шт 238 ₽238 ₽
49
НШ32-Л-2 Насос шестеренный НШ32-Л-2 ГОСТ 8753-71 Под заказ -
50
НШ32-0303004В Муфта угловая в сборе Под заказ -
51
НШ32-0303035В Муфта угловая Под заказ -
52
НШ32-0303036В Штуцер Под заказ -
53
НШ46-0505037 Кольцо уплотнительное Под заказ -
54
НШ46-0505037 Кольцо уплотнительное Под заказ -
55
НШ46-0505037 Кольцо уплотнительное Под заказ -
56
НШ46-0505037 Кольцо уплотнительное Под заказ -
57
НШ46-0505037 Кольцо уплотнительное Под заказ -
58
Болт М8-6gх25.66 ГОСТ 7796-70 Болт М8-6gх25.66 ГОСТ 7796-70 Под заказ -
59
Болт М8-6gх25.66 ГОСТ 7796-70 Болт М8-6gх25.66 ГОСТ 7796-70 Под заказ -
60
Болт М8-6gх55.66 ГОСТ 7795-70 Болт М8-6gх55.66 ГОСТ 7795-70 Под заказ -
61
Болт М8-6gх55.66 ГОСТ 7795-70 Болт М8-6gх55.66 ГОСТ 7795-70 Под заказ -
62
Болт М10-6gх25.66 ГОСТ 7796-70 Болт М10-6gх25.66 ГОСТ 7796-70 Под заказ -
63
Болт М10-6gх25.66 ГОСТ 7796-70 Болт М10-6gх25.66 ГОСТ 7796-70 Под заказ -
64
Болт М10-6gх30.66 ГОСТ 7796-70 Болт М10-6gх30.66 ГОСТ 7796-70 Под заказ -
65
Болт М10-6gх30.66 ГОСТ 7796-70 Болт М10-6gх30.66 ГОСТ 7796-70 Под заказ -
66
Болт М10-6gх65.66 ГОСТ 7795-70 Болт М10-6gх65.66 ГОСТ 7795-70 Под заказ -
67
Болт М12-6gх35.88 ГОСТ 7796-70 Болт М12-6gх35.88 ГОСТ 7796-70 Под заказ -
68
Болт М12-6gх70.88.35 ГОСТ 7795-70 Болт М12-6gх70.88.35 ГОСТ 7795-70 Под заказ -
69
Болт М14-6gх35.88.35 ГОСТ 7796-70 Болт М14-6gх35.88.35 ГОСТ 7796-70 Под заказ -
70
Гайка М10-7Н.6 ГОСТ 5915-70 Гайка М10-7Н.6 ГОСТ 5915-70 Под заказ -
71
Гайка М10-7Н.6 ГОСТ 5915-70 Гайка М10-7Н.6 ГОСТ 5915-70 Под заказ -
72
Гайка М16-6Н.8 ГОСТ 5933-62 Гайка М16-6Н.8 ГОСТ 5933-62 Под заказ -
73
Гайка М36х3-6Н.8 ГОСТ 5933-62 Гайка М36х3-6Н.8 ГОСТ 5933-62 Под заказ -
74
Шпилька БМ10 То/6gх25(12/18)66 ГОСТ 1176 Шпилька БМ10 То/6gх25(12/18)66 ГОСТ 11765-66 Под заказ -
75
Шпилька БМ12х1,75/1,5 То/6gх130(15/26)66 Шпилька БМ12х1,75/1,5 То/6gх130(15/26)66 ГОСТ 11765-66 Под заказ -
76
Шайба 8.65Г.05 ГОСТ 6402-70 Шайба 8.65Г.05 ГОСТ 6402-70 Под заказ -
77
Шайба 8.65Г.05 ГОСТ 6402-70 Шайба 8.65Г.05 ГОСТ 6402-70 Под заказ -
78
Шайба 8.65Г.05 ГОСТ 6402-70 Шайба 8.65Г.05 ГОСТ 6402-70 Под заказ -
79
Шайба 10.65Г.05 ГОСТ 6402-70 Шайба 10.65Г.05 ГОСТ 6402-70 Под заказ -
80
Шайба 10.65Г.05 ГОСТ 6402-70 Шайба 10.65Г.05 ГОСТ 6402-70 Под заказ -
81
Шайба 10.65Г.05 ГОСТ 6402-70 Шайба 10.65Г.05 ГОСТ 6402-70 Под заказ -
82
Шайба 12.65Г.05 ГОСТ 6402-70 Шайба 12.65Г.05 ГОСТ 6402-70 Под заказ -
83
Шайба 12.65Г.05 ГОСТ 6402-70 Шайба 12.65Г.05 ГОСТ 6402-70 Под заказ -
84
ГКН.3М36 Гайка Под заказ -
85
Шплинт 4х32 ГОСТ 397-66 Шплинт 4х32 ГОСТ 397-66 Под заказ -
86
Шплинт 6,3х50 ГОСТ 397-66 Шплинт 6,3х50 ГОСТ 397-66 Под заказ -
87
Шплинт 6,3х50 ГОСТ 397-66 Шплинт 6,3х50 ГОСТ 397-66 Под заказ -
88
ХСВ-26 Хомутик стяжной винтовой Под заказ -
89
ХСВ-35 Хомутик стяжной Под заказ -
90
ХСВ-43 Хомутик стяжной Под заказ -
91
Масленка II-А-90 ГОСТ 1303-56 Масленка II-А-90 ГОСТ 1303-56 Под заказ -
Содержащиеся в справочниках-каталогах запасные части и детали не предлагаются к продаже, а носят исключительно информационный характер


Наши преимущества