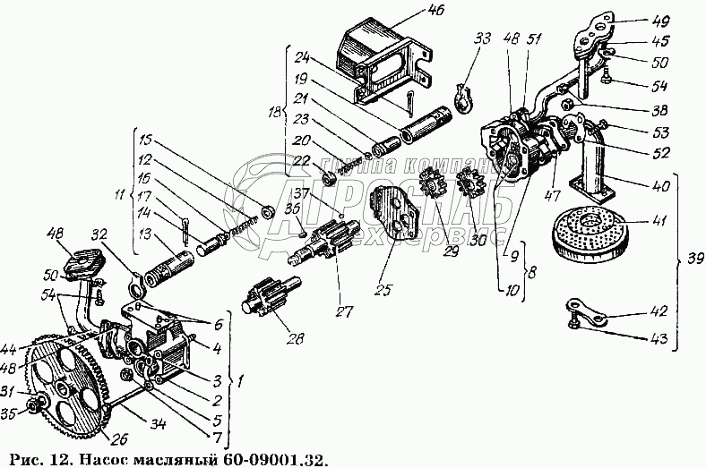
Каталог запасных частей к технике: ХТЗ Т-150К. Насос масляный 60-09001.32

Насос масляный 60-09001.32

zoom-in zoom-out enlarge shrink circle-right circle-left file-text2 info cart
3
4
5
6
7
9
10
41
11
12
13
14
15
16
17
18
25
19
20
27
21
22
23
24
18
25
26
20
27
28
29
30
31
32
33
34
35
36
37
38
39
40
10
41
42
43
44
45
46
47
48
49
50
51
51
51
52
53
53
54
55
56
57
57
Изображение Артикул товара Наименование Наличие Единица измерения Количество Цена Корзина
1
60-09001.32 Масляный насос с соединительной арматурой Под заказ -
2
60-09153.00 Кольцо Под заказ -
3
60-09002.12 Насос масляный Под заказ -
4
60-09004.30 Корпус масляного насоса Под заказ -
5
60-09101.40 Корпус масляного насоса Под заказ -
6
60-09111.00 Втулка масляного насоса Под заказ -
7
60-09135.10 Шпилька установочная Под заказ -
8
60-09154.00 Шайба замковая Под заказ -
9
Штифт 8Сзх20 ГОСТ 3128-70 Штифт 8Сзх20 ГОСТ 3128-70 Под заказ -
10
Гайка М8.2.6.05 ГОСТ 2526-70 Гайка М8.2.6.05 ГОСТ 2526-70 Под заказ -
11
60-09005.20 Корпус радиаторной секции Под заказ -
12
60-09102.20 Корпус радиаторной секции Под заказ -
13
60-09110.20 Втулка Под заказ -
14
60-09008.00 Клапан Под заказ -
15
60-09113.00 Пружина Под заказ -
16
60-09115.01 Корпус клапана Под заказ -
17
60-09139.00 Клапан Под заказ -
18
60-09140.00 Колпачок Под заказ -
19
60-09151.00 Шайба регулировочная Под заказ -
20
Шплинт 4х40-005 ГОСТ 397-66 Шплинт 4х40-005 ГОСТ 397-66 Под заказ -
21
60-09012.00 Клапан Под заказ -
22
60-09116.01 Корпус клапана Под заказ -
23
60-09134.00 Пружина Под заказ -
24
60-09138.00 Клапан Под заказ -
25
60-09140.00 Колпачок Под заказ -
26
Шайба 6-015 ГОСТ 11371-68 Шайба 6-015 ГОСТ 11371-68 Под заказ -
27
Шплинт 4х40-005 ГОСТ 397-66 Шплинт 4х40-005 ГОСТ 397-66 Под заказ -
28
60-09103.10 Проставка Под заказ -
29
60-09104.10 Колесо зубчатое m = 2,5, z = 64 Под заказ -
30
60-09105.20 Шестерня ведущая m = 4,25, z = 10 Под заказ -
31
60-09106.10 Шестерня ведомая m=4,25, z=10 Под заказ -
32
60-09112.10 Шестерня радиаторная ведущая m = 4,25, z = 10 Под заказ -
33
60-09114.10 Шестерня радиаторная ведомая m = 4,25, z = 10 Под заказ -
34
60-09132.10 Шайба стопорная Под заказ -
35
60-09136.00 Шайба замковая Под заказ -
36
60-09137.00 Шайба замковая Под заказ -
37
60-09144.00 Болт М8х85 Под заказ -
38
Гайка М18х1,5.2.6.05 ГОСТ 5929-70 Гайка М18х1,5.2.6.05 ГОСТ 5929-70 Под заказ -
39
Шпонка сегментная 5х6,5 ГОСТ 8795-68 Шпонка сегментная 5х6,5 ГОСТ 8795-68 Под заказ -
40
Шарик БV 5,556мм Р ГОСТ 3722-60 Шарик БV 5,556мм Р ГОСТ 3722-60 Под заказ -
41
Гайка М8.2.6.05 ГОСТ 2526-70 Гайка М8.2.6.05 ГОСТ 2526-70 Под заказ -
42
60-09009.20 Трубка всасывающая с заборником Под заказ -
43
60-09010.20 Трубка всасывающая Под заказ -
44
60-09016.00 Заборник масляного насоса Под заказ -
45
60-09150.00 Шайба замковая Под заказ -
46
Болт М8.2х30.56.05 ГОСТ 7796-70 Болт М8.2х30.56.05 ГОСТ 7796-70 Под заказ -
47
60-09011.30 Трубка к маслофильтру Под заказ -
48
60-09014.30 Трубка радиаторной секции Под заказ -
49
60-09017.01 Кожух клапанов Под заказ -
50
60-09126.00 Прокладка Под заказ -
51
60-09127.00 Прокладка Под заказ -
52
60-09129.20 Прокладка Под заказ -
53
60-09131.10 Шайба замковая Под заказ -
54
60-09152.00 Фланец трубки Под заказ -
55
60-09142.10 Шайба Под заказ -
56
Болт М8.2х16.56.05 ГОСТ 7796-70 Болт М8.2х16.56.05 ГОСТ 7796-70 Под заказ -
57
Болт М8.2х20.56.05 ГОСТ 7796-70 Болт М8.2х20.56.05 ГОСТ 7796-70 Под заказ -
Содержащиеся в справочниках-каталогах запасные части и детали не предлагаются к продаже, а носят исключительно информационный характер


Наши преимущества