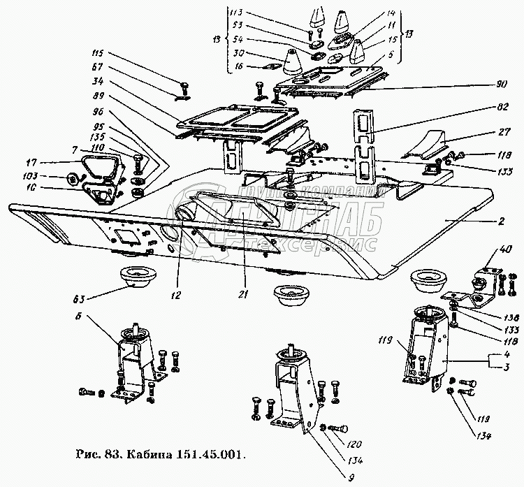
Каталог запасных частей к технике: ХТЗ Т-150К. Кабина 151.45.001

Кабина 151.45.001

zoom-in zoom-out enlarge shrink circle-right circle-left file-text2 info cart
2
3
4
5
6
7
8
9
10
11
12
12
13
14
15
16
17
18
19
20
21
22
23
24
25
26
27
28
29
30
31
32
33
34
35
35
36
36
37
38
39
39
40
40
40
Изображение Артикул товара Наименование Наличие Единица измерения Количество Цена Корзина
1
151.45.001 Кабина в сборе Под заказ -
2
151.45.013-1 Пол в сборе Под заказ -
3
151.45.014-1 Кронштейн кабины задний правый в сборе Под заказ -
4
151.45.015-1 Кронштейн кабины задний левый в сборе Под заказ -
5
151.45.016 Крышка пола задняя в сборе Под заказ -
6
151.45.018-1 Кронштейн кабины передний правый в сборе Под заказ -
7
151.45.020-1 Чехол рулевой колонки в сборе Под заказ -
8
151.45.023-1 Кронштейн кабины передний левый в сборе Под заказ -
9
151.45.024 Крышка рулевой колонки в сборе Под заказ -
10
151.45.026-1 Чехол уплотнения рычага КПП в сборе Под заказ -
11
151.45.028 Уплотнитель рычага КПП в сборе Под заказ -
12
151.45.030 Крышка пола в сборе Под заказ -
13
151.45.113-1 Крышка уплотнения рычага Под заказ -
14
151.45.114-1 Уплотнитель рычага Под заказ -
15
151.45.118 Прокладка Под заказ -
16
151.45.142 Уплотнитель крышки рулевой колонки Под заказ -
17
150.45.027 Кожух в сборе Под заказ -
18
150.45.045 Постель бака задняя в сборе Под заказ -
19
150.45.053-2 Чехол уплотнения рычага КПП в сборе Под заказ -
20
150.45.068-1 Крышка пола передняя в сборе Под заказ -
21
150.45.086 Скоба в сборе Под заказ -
22
150.45.162-1 Крышка люка пола Под заказ -
23
150.45.163-1 Прокладка люка пола Под заказ -
24
150.45.216-2 Амортизатор опоры Под заказ -
25
150.45.255 Зажим Под заказ -
26
150.45.338 Прокладка бака передняя Под заказ -
27
150.45.359-1 Уплотнитель передней крышки Под заказ -
28
150.45.360-1 Уплотнитель задней крышки Под заказ -
29
150.45.421 Шайба Под заказ -
30
150.45.435 Буфер Под заказ -
31
125.45.039 Уплотнитель педали Под заказ -
32
6.47.111 Болт Под заказ -
33
Болт М8-6gх16.66.099 ГОСТ 7796-70 Болт М8-6gх16.66.099 ГОСТ 7796-70 Под заказ -
34
Болт М8-6gх25.66.099 ГОСТ 7796-70 Болт М8-6gх25.66.099 ГОСТ 7796-70 Под заказ -
35
Болт М10-6gх30.66.099 ГОСТ 7796-70 Болт М10-6gх30.66.099 ГОСТ 7796-70 Под заказ -
36
Болт М12-6gх25.88.35.099 ГОСТ 7796-70 Болт М12-6gх25.88.35.099 ГОСТ 7796-70 Под заказ -
37
Болт М12-6gх45.88.35.099 ГОСТ 7795-70 Болт М12-6gх45.88.35.099 ГОСТ 7795-70 Под заказ -
38
Шайба 10.65Г.05 ГОСТ 6402-70 Шайба 10.65Г.05 ГОСТ 6402-70 Под заказ -
39
Шайба 12.65Г.05 ГОСТ 6402-70 Шайба 12.65Г.05 ГОСТ 6402-70 Под заказ -
40
Шайба 14.65Г.05 ГОСТ 6402-70 Шайба 14.65Г.05 ГОСТ 6402-70 Под заказ -
Содержащиеся в справочниках-каталогах запасные части и детали не предлагаются к продаже, а носят исключительно информационный характер


Наши преимущества