Каталог запасных частей к технике: ХТЗ Т-150. Кабина

Кабина

zoom-in zoom-out enlarge shrink circle-right circle-left file-text2 info cart
4
5
6
7
8
9
10
11
12
13
14
15
16
17
18
19
20
21
22
23
24
25
26
25
26
27
28
29
30
31
32
33
34
35
36
37
38
39
40
39
40
39
40
41
42
43
44
45
46
47
46
47
46
47
48
49
48
49
50
51
50
51
52
53
54
53
54
53
54
58
59
60
61
60
61
62
63
62
63
62
63
64
65
66
67
66
67
66
67
66
67
68
69
70
71
72
68
69
70
71
72
68
69
70
71
72
68
69
70
71
72
68
69
70
71
72
68
69
70
71
72
73
74
74
75
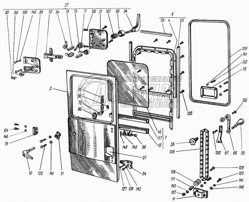
Изображение Артикул товара Наименование Наличие Единица измерения Количество Цена Корзина
1
150.45.002 Кабина Под заказ -
2
150.45.001-1А Кабина Под заказ -
3
150.45.005 Кабина Под заказ -
4
150.45.014-1 Панель двери в сборе Под заказ -
5
150.45.016-1 Рамка двери Под заказ -
6
150.45.018-1 Рамка двери Под заказ -
7
150.45.020-1 Кронштейн стекла двери Под заказ -
8
150.45.032-1 Ручка Под заказ -
9
150.45.038 Кронштейн натяжного ролика в сборе Под заказ -
10
150.45.047 Кронштейн окна левый в сборе Под заказ -
11
150.45.060 Фиксатор Под заказ -
12
150.45.062-1 Корпус замка в сборе Под заказ -
13
150.45.070-1А Замок Под заказ -
14
150.45.077-1 Фланец Под заказ -
15
150.45.087 Ручка замка внутренняя в сборе Под заказ -
16
150.45.089-1 Звездочка Под заказ -
17
150.45.094 Усилитель петли двери Под заказ -
18
150.45.141А Стекло двери Под заказ -
19
150.45.184-1 Петля Под заказ -
20
150.45.189 Прокладка опускного стекла Под заказ -
21
150.45.192-1 Желобок опускного стекла Под заказ -
22
150.45.192-1-01 Желобок опускного стекла Под заказ -
23
150.45.260 Пружина Под заказ -
24
150.45.262 Ручка стеклоподъемника Под заказ -
25
150.45.264 Шайба специальная Под заказ -
26
150.45.264 Шайба специальная Под заказ -
27
150.45.266-1 Шток Под заказ -
28
150.45.271-1 Пружина замка Под заказ -
29
150.45.278 Планка штока Под заказ -
30
150.45.280 Скоба стопорная Под заказ -
31
150.45.293-1 Пружина Под заказ -
32
150.45.315 Направляющий шип двери Под заказ -
33
150.45.319 Крышка люка Под заказ -
34
150.45.339 Крышка замка Под заказ -
35
150.45.340-1 Кулачок Под заказ -
36
150.45.350 Пластина крепления ручки двери Под заказ -
37
150.45.369 Колпачок Под заказ -
38
150.45.376 Пружина Под заказ -
39
150.45.404 Шплинт пружинный Под заказ -
40
150.45.404 Шплинт пружинный Под заказ -
41
150.45.443 Палец Под заказ -
42
125.40.145 Пружина сигнала Под заказ -
43
12545144 Ролик Под заказ -
44
125.45.208-1 Уплотнитель фланца двери Под заказ -
45
125.45.504 Втулка распорная Под заказ -
46
Болт М6-6gх16.88.35.019 ГОСТ 7798-70 Болт М6-6gх16.88.35.019 ГОСТ 7798-70 Под заказ -
47
Болт М6-6gх16.88.35.019 ГОСТ 7798-70 Болт М6-6gх16.88.35.019 ГОСТ 7798-70 Под заказ -
48
Болт М8-6gх20.88.35.019 ГОСТ 7798-70 Болт М8-6gх20.88.35.019 ГОСТ 7798-70 Под заказ -
49
Болт М8-6gх20.88.35.019 ГОСТ 7798-70 Болт М8-6gх20.88.35.019 ГОСТ 7798-70 Под заказ -
50
Болт 3М8-6gх20.88.35.019 ГОСТ 7798-70 Болт 3М8-6gх20.88.35.019 ГОСТ 7798-70 Под заказ -
51
Болт 3М8-6gх20.88.35.019 ГОСТ 7798-70 Болт 3М8-6gх20.88.35.019 ГОСТ 7798-70 Под заказ -
52
Болт М8-6gх35.88.35.019 ГОСТ 7798-70 Болт М8-6gх35.88.35.019 ГОСТ 7798-70 Под заказ -
53
Винт В1М4-6gх8.58.019 ГОСТ 17473-80 Винт В1М4-6gх8.58.019 ГОСТ 17473-80 Под заказ -
54
Винт В1М4-6gх8.58.019 ГОСТ 17473-80 Винт В1М4-6gх8.58.019 ГОСТ 17473-80 Под заказ -
55
Винт В1М5-6gх8.58.019 ГОСТ 17473-80 Винт В1М5-6gх8.58.019 ГОСТ 17473-80 Под заказ -
56
Винт В1М5-6gх8.58.019 ГОСТ 17473-80 Винт В1М5-6gх8.58.019 ГОСТ 17473-80 Под заказ -
57
Винт В1М5-6gх18.58.019 ГОСТ 17473-80 Винт В1М5-6gх18.58.019 ГОСТ 17473-80 Под заказ -
58
Винт В1М6-6gх12.58.019 ГОСТ 17473-80 Винт В1М6-6gх12.58.019 ГОСТ 17473-80 Под заказ -
59
Винт В1М6-6gх18.58.019 ГОСТ 17473-80 Винт В1М6-6gх18.58.019 ГОСТ 17473-80 Под заказ -
60
Винт В1М6-6gх12.58.019 ГОСТ 17475-80 Винт В1М6-6gх12.58.019 ГОСТ 17475-80 Под заказ -
61
Винт В1М6-6gх12.58.019 ГОСТ 17475-80 Винт В1М6-6gх12.58.019 ГОСТ 17475-80 Под заказ -
62
Гайка М8-6Н.6.0112 ГОСТ 5915-70 Гайка М8-6Н.6.0112 ГОСТ 5915-70 Под заказ -
63
Гайка М8-6Н.6.0112 ГОСТ 5915-70 Гайка М8-6Н.6.0112 ГОСТ 5915-70 Под заказ -
64
150.45.180 Цепь Под заказ -
65
Шайба 4 65Г 05 ГОСТ 6402-70 Шайба 4 65Г 05 ГОСТ 6402-70 Под заказ -
66
Шайба 6 65Г 05 ГОСТ 6402-70 Шайба 6 65Г 05 ГОСТ 6402-70 Под заказ -
67
Шайба 6 65Г 05 ГОСТ 6402-70 Шайба 6 65Г 05 ГОСТ 6402-70 Под заказ -
68
Шайба 8 65Г 05 ГОСТ 6402-70 Шайба 8 65Г 05 ГОСТ 6402-70 Под заказ -
69
Шайба 8 65Г 05 ГОСТ 6402-70 Шайба 8 65Г 05 ГОСТ 6402-70 Под заказ -
70
Шайба 8 65Г 05 ГОСТ 6402-70 Шайба 8 65Г 05 ГОСТ 6402-70 Под заказ -
71
Шайба 8 65Г 05 ГОСТ 6402-70 Шайба 8 65Г 05 ГОСТ 6402-70 Под заказ -
72
Шайба 8 65Г 05 ГОСТ 6402-70 Шайба 8 65Г 05 ГОСТ 6402-70 Под заказ -
73
Шайба 5.04.0115 ГОСТ 11371-78 Шайба 5.04.0115 ГОСТ 11371-78 Под заказ -
74
Шайба 6.04.0115 ГОСТ 11371-78 Шайба 6.04.0115 ГОСТ 11371-78 Под заказ -
75
Шплинт 1,6х12.016 ГОСТ 397-79 Шплинт 1,6х12.016 ГОСТ 397-79 Под заказ -
76
Шайба 12 65Г 05 ГОСТ 6402-70 Шайба 12 65Г 05 ГОСТ 6402-70 Под заказ -
Содержащиеся в справочниках-каталогах запасные части и детали не предлагаются к продаже, а носят исключительно информационный характер


Наши преимущества