Каталог запасных частей к технике: ХТЗ Т-150. Гидросистема трансмиссии

Гидросистема трансмиссии

zoom-in zoom-out enlarge shrink circle-right circle-left file-text2 info cart
2
3
4
4
5
6
7
8
9
10
11
12
13
14
14
15
16
17
18
19
20
20
20
21
22
23
24
25
26
27
28
28
29
30
31
32
33
34
35
35
36
37
38
36
37
38
36
37
38
36
37
38
36
37
38
39
40
40
40
41
42
43
44
43
44
43
44
45
45
45
46
47
48
49
50
47
48
49
50
47
48
49
50
47
48
49
50
47
48
49
50
47
48
49
50
47
48
49
50
51
51
51
51
52
52
53
54
55
Изображение Артикул товара Наименование Наличие Единица измерения Количество Цена Корзина
1
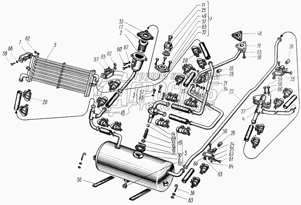
150.55.001-2 Гидросистема трансмиссии Под заказ -
2
1.50.55.010-5 Фильтр Под заказ -
3
150.55.011-2А Корпус фильтра Под заказ -
4
150.55.013-2 Бак в сборе Под заказ -
5
150.55.019-2 Труба слива Под заказ -
6
150У.55.022-2 Радиатор масляный Под заказ -
7
150.55.023-2 Бак в сборе Под заказ -
8
150.55.024-1 Кронштейн радиатора в сборе Под заказ -
9
150.55.055 Корпус клапана в сборе Под заказ -
10
150.55.056 Предохранительный клапан радиатора в сборе Под заказ -
11
150.55.060-3 Тройник Под заказ -
12
150.55.062 Фильтр заливной в сборе Под заказ -
13
150.55.063-3 Труба Под заказ -
14
ХСВ-35Ц15.Хр Хомутик стяжной винтовой Под заказ -
15
150.55.114-2 Труба к радиатору Под заказ -
16
150.55.117-3 Труба Под заказ -
17
150.55.149 Шланг Под заказ -
18
150.55.156 Скоба Под заказ -
19
150.55.177 Пробка Под заказ -
20
150.55.189 Трубка резиновая Под заказ -
21
150.55.193-1 Прокладка Под заказ -
22
150.55.201-2 Уголок Под заказ -
23
150.55.220 Прокладка Под заказ -
24
150.55.221 Проволока Под заказ -
25
130.55.226А Крышка фильтра Под заказ -
26
150.55.233 Прокладка Под заказ -
27
150.55.239-3-3 Труба Под заказ -
28
150.55.247-1 Кронштейн Под заказ -
29
150.55.249 Крючок Под заказ -
30
5.05.255 Шайба Под заказ -
31
54.53.402А Прокладка Под заказ -
32
74.57.442 Прокладка пробки Под заказ -
33
125.64.171 Прокладка Под заказ -
34
Д27.121Б Пружина Под заказ -
35
Бон М10-6gх60.66.019 ГОСТ 7795-70 Болт М10-6gх60.66.019 ГОСТ 7795-70 Под заказ -
36
Болт М8-6gх20.66.019 ГОСТ 7796-70 Болт М8-6gх20.66.019 ГОСТ 7796-70 Под заказ -
37
Болт М8-6gх20.66.019 ГОСТ 7796-70 Болт М8-6gх20.66.019 ГОСТ 7796-70 Под заказ -
38
Болт М8-6gх20.66.019 ГОСТ 7796-70 Болт М8-6gх20.66.019 ГОСТ 7796-70 Под заказ -
39
Болт М8-6gх25.66.019 ГОСТ 7796-70 Болт М8-6gх25.66.019 ГОСТ 7796-70 Под заказ -
40
Болт М10-6gх20.66.019 ГОСТ 7796-70 Болт М10-6gх20.66.019 ГОСТ 7796-70 Под заказ -
41
Болт М12-6gх25.88.35.019 ГОСТ 7796-70 Болт М12-6gх25.88.35.019 ГОСТ 7796-70 Под заказ -
42
Болт М12-6gх30.88.35.019 ГОСТ 7796-70 Болт М12-6gх30.88.35.019 ГОСТ 7796-70 Под заказ -
43
Гайка М8.6.0112 ГОСТ 5915-70 Гайка М8.6.0112 ГОСТ 5915-70 Под заказ -
44
Гайка М8.6.0112 ГОСТ 5915-70 Гайка М8.6.0112 ГОСТ 5915-70 Под заказ -
45
Гайка М10.6.0112 ГОСТ 5915-70 Гайка М10.6.0112 ГОСТ 5915-70 Под заказ -
46
Гайка М12.6.0112 ГОСТ 5915-70 Гайка М12.6.0112 ГОСТ 5915-70 Под заказ -
47
Шайба 8 65Г 05 ГОСТ 6402-70 Шайба 8 65Г 05 ГОСТ 6402-70 Под заказ -
48
Шайба 8 65Г 05 ГОСТ 6402-70 Шайба 8 65Г 05 ГОСТ 6402-70 Под заказ -
49
Шайба 8 65Г 05 ГОСТ 6402-70 Шайба 8 65Г 05 ГОСТ 6402-70 Под заказ -
50
Шайба 8 65Г 05 ГОСТ 6402-70 Шайба 8 65Г 05 ГОСТ 6402-70 Под заказ -
51
Шайба 10 65Г 05 ГОСТ 6402-70 Шайба 10 65Г 05 ГОСТ 6402-70 Под заказ -
52
Шайба 12 65Г 05 ГОСТ 6402-70 Шайба 12 65Г 05 ГОСТ 6402-70 Под заказ -
53
Шарик Б 16.669-40 ГОСТ 3722-81 Шарик Б 16.669-40 ГОСТ 3722-81 Под заказ -
54
Пробка КГ 1/2" 40.019 ОСТ 23.1.117-83 Пробка КГ 1/2" 40.019 ОСТ 23.1.117-83 Под заказ -
55
Пробка КГ 3/8" 40.019 ОСТ 23.1.117-83 Пробка КГ 3/8" 40.019 ОСТ 23.1.117-83 Под заказ -
Содержащиеся в справочниках-каталогах запасные части и детали не предлагаются к продаже, а носят исключительно информационный характер


Наши преимущества