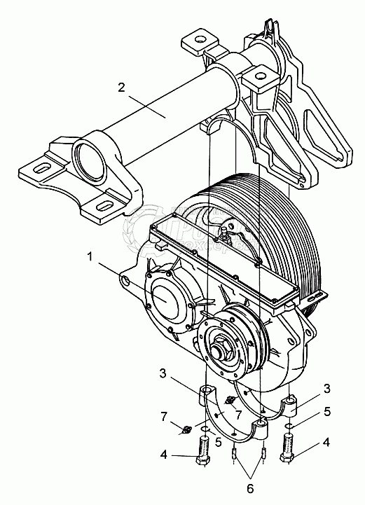
Каталог запасных частей к технике: Гомсельмаш УЭС-280. Установка редуктора УЭС 0120000

Установка редуктора УЭС 0120000

zoom-in zoom-out enlarge shrink circle-right circle-left file-text2 info cart
2
3
4
4
5
5
6
6
7
8
8
Изображение Артикул товара Наименование Наличие Единица измерения Количество Цена Корзина
1
УЭС0120000 Установка редуктора Под заказ -
2
УЭС0108000А Редуктор цилиндрический Под заказ -
3
УЭС0119000 Опора редуктора Под заказ -
4
УЭС0119307 Крышка Под заказ -
5
БолтМ18х1,5-6ех70-7798 Болт М18х1,5-6ех70-7798 Под заказ -
6
Шайба18.65Г-6402 Шайба 18.65Г-6402 Под заказ -
7
Штифт6х12-3128 Штифт 6х12-3128 Под заказ -
8
1.2-19853 Масленка Под заказ -
Содержащиеся в справочниках-каталогах запасные части и детали не предлагаются к продаже, а носят исключительно информационный характер


Наши преимущества