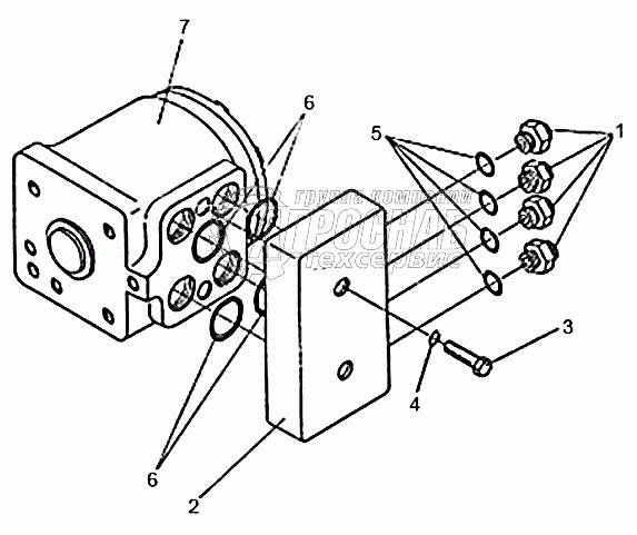
Каталог запасных частей к технике: Гомсельмаш УЭС-280. Насос-дозатор УЭС 0603740А

Насос-дозатор УЭС 0603740А

zoom-in zoom-out enlarge shrink circle-right circle-left file-text2 info cart
3
4
5
6
7
8
8
9
Изображение Артикул товара Наименование Наличие Единица измерения Количество Цена Корзина
1
УЭС0603740А Насос-дозатор Под заказ -
2
ГМШ6018240-03 Штуцер Под заказ -
3
ГМШ6018624-03 Штуцер Под заказ -
4
УЭС0603661 Плита Под заказ -
5
ВинтМ10-6ех40-11738 Винт М10-6ех40-11738 Под заказ -
6
Шайба10Т.65Г-6402 Шайба 10Т.65Г-6402 Под заказ -
7
КВМ18 Прокладка Под заказ -
8
024-028-25-2-2-18829/9833 Кольцо 024-028-25-2-2-18829/9833 Под заказ -
9
Д125-14.20-02 Насос-дозатор Под заказ -
Содержащиеся в справочниках-каталогах запасные части и детали не предлагаются к продаже, а носят исключительно информационный характер


Наши преимущества