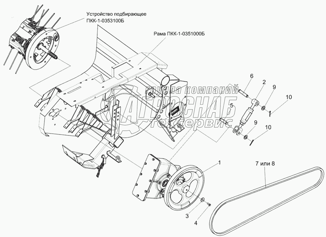
Каталог запасных частей к технике: Гомсельмаш ПКК-1-0350000А. Установка редуктора КИС 0904000Б

Установка редуктора КИС 0904000Б

zoom-in zoom-out enlarge shrink circle-right circle-left file-text2 info cart
1
2
3
4
5
6
7
8
9
9
10
10
Изображение Артикул товара Наименование Наличие Единица измерения Количество Цена Корзина
1
КИС0904000Б Редуктор Под заказ -
2
КИС0907000А Стяжка Под заказ -
3
КСН0105614 Шайба Под заказ -
4
БолтМ12-6ех30-7796 Болт М12-6ех30-7796 Под заказ -
5
6-16в12х60-9650 Ось 6-16в12х60-9650 Под заказ -
6
6-16вх80-9650 Ось 6-16вх80-9650 Под заказ -
7
C(В)-2650IПСХ-1284,1 Ремень C(В)-2650IПСХ-1284,1 Под заказ -
8
НС2650 Ремень Под заказ -
9
ШайбаС.16.01-11371 Шайба С.16.01-11371 Под заказ -
10
Шплинт4х32-397 Шплинт 4х32-397 Под заказ -
Содержащиеся в справочниках-каталогах запасные части и детали не предлагаются к продаже, а носят исключительно информационный характер


Наши преимущества