Каталог запасных частей к технике: Гомсельмаш КЗС-812С. Установка двигателя КЗК-812С-2-0106000

Установка двигателя КЗК-812С-2-0106000

zoom-in zoom-out enlarge shrink circle-right circle-left file-text2 info cart
2
3
4
Изображение Артикул товара Наименование Наличие Единица измерения Количество Цена Корзина
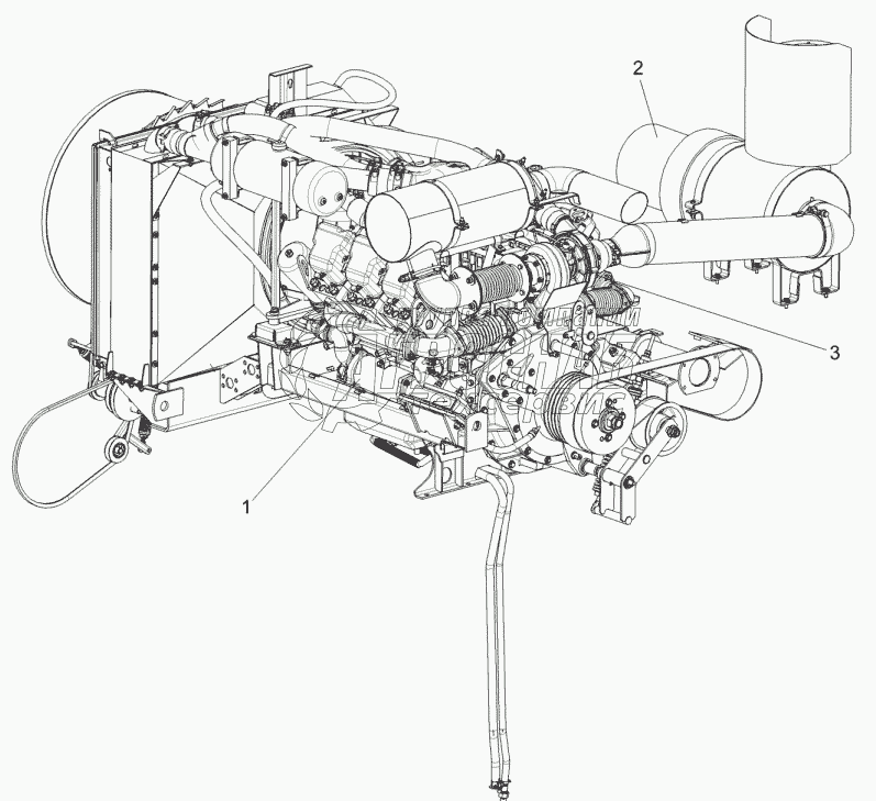
1
КЗК-812С-2-0106000 Установка двигателя Под заказ -
2
КЗК-812С-2-0106010 Установка двигателя Под заказ -
3
КЗК-8А-2-0106080 Установка воздухоочистителя Под заказ -
4
КЗК-812С-2-0726000 Установка электрооборудования моторной установки Под заказ -
Содержащиеся в справочниках-каталогах запасные части и детали не предлагаются к продаже, а носят исключительно информационный характер


Наши преимущества