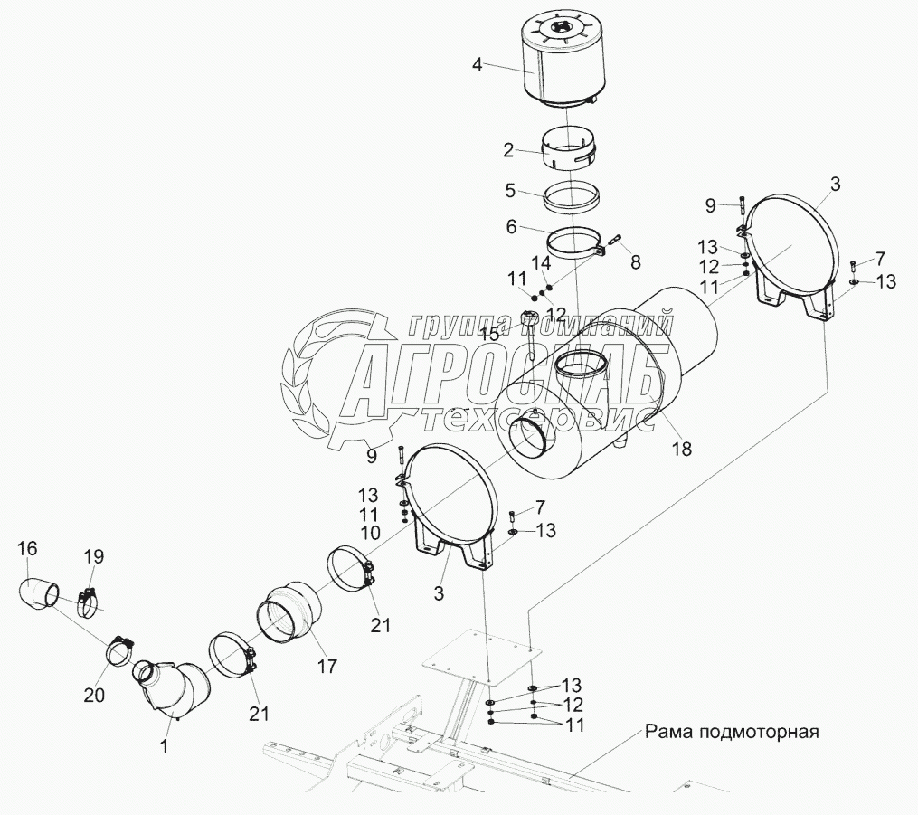
Каталог запасных частей к технике: Гомсельмаш КЗС-575. Установка воздухоочистителя КЗК-5-4-0106080

Установка воздухоочистителя КЗК-5-4-0106080

zoom-in zoom-out enlarge shrink circle-right circle-left file-text2 info cart
2
3
4
4
5
6
7
8
8
9
10
10
11
12
12
12
12
13
13
13
14
14
14
14
14
15
16
17
18
19
20
21
22
22
Изображение Артикул товара Наименование Наличие Единица измерения Количество Цена Корзина
1
КЗК-5-4-0106080 Установка воздухоочистителя Под заказ -
2
КЗК-5-4-0106160 Труба воздушная Под заказ -
3
КЗК0106110 Переходник Под заказ -
4
КЗК-12-0106240 Хомут Под заказ -
5
КЗК-12-3-0126420 Воздухозаборник вращающийся В наличии шт 35 000 ₽35 000 ₽
6
КЗК-12-3-0106016 Прокладка Под заказ -
7
КЗК-12-3-0106481 Хомут Под заказ -
8
БолтМ10-6ex30-7796 Болт М10-6ex30-7796 Под заказ -
9
БолтМ10-6ex50-7796 Болт М10-6ex50-7796 Под заказ -
10
БолтМ10-6ex60-7796 Болт М10-6ex60-7796 Под заказ -
11
ГайкаМ10-6g-2526 Гайка М10-6g-2526 Под заказ -
12
ГайкаМ10-6g-5915 Гайка М10-6g-5915 Под заказ -
13
Шайба10Т.65Г-6402 Шайба 10Т.65Г-6402 Под заказ -
14
ШайбаC10.01-6958 Шайба C 10.01-6958 Под заказ -
15
ШайбаC.10.01-11371 Шайба C.10.01-11371 Под заказ -
16
ДСФ-65 Датчик сигнализатора засоренности воздушного фильтра В наличии шт 251 ₽251 ₽
17
P775228 Патрубок Под заказ -
18
P105612 Патрубок Под заказ -
19
ФВ725.1109510-20 Фильтр воздушный Под заказ -
20
GBSM82/25W2 Хомут без компенсатора Под заказ -
21
GBSM88/25W2 Хомут без компенсатора GBS M 88/25 W2 Под заказ -
22
GBSM168/30W2 Хомут без компенсатора Под заказ -
Содержащиеся в справочниках-каталогах запасные части и детали не предлагаются к продаже, а носят исключительно информационный характер


Наши преимущества