Каталог запасных частей к технике: Гомсельмаш КЗС-1624-1. Гидронасос шестеренный КЗК-1420-0602180

Гидронасос шестеренный КЗК-1420-0602180

zoom-in zoom-out enlarge shrink circle-right circle-left file-text2 info cart
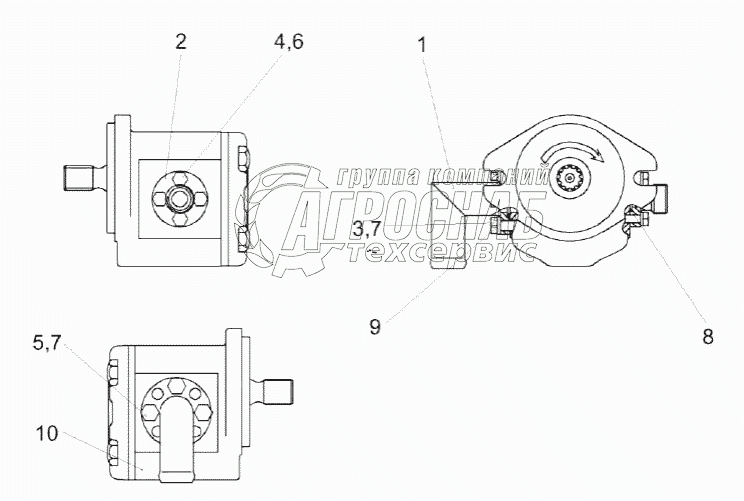
1
2
3
4
5
6
7
7
8
9
Изображение Артикул товара Наименование Наличие Единица измерения Количество Цена Корзина
1
КЗК-1420-0602610 Фланец Под заказ -
2
КЗК-1420-0602601 Фланец Под заказ -
3
БолтМ8-6eх20-7796 Болт М8-6eх20-7796 Под заказ -
4
БолтМ6-6eх20-7798 Болт М6-6eх20-7798 Под заказ -
5
ВинтМ8-6eх20-11738 Винт М8-6eх20-11738 Под заказ -
6
Шайба6Т.65Г-6402 Шайба 6Т.65Г-6402 Под заказ -
7
Шайба8Т.65Г-6402 Шайба 8Т.65Г-6402 Под заказ -
8
016-019-19-2-2-18829/9833 Кольцо Под заказ -
9
024-028-25-2-2-18829/9833 Кольцо 024-028-25-2-2-18829/9833 Под заказ -
Содержащиеся в справочниках-каталогах запасные части и детали не предлагаются к продаже, а носят исключительно информационный характер


Наши преимущества