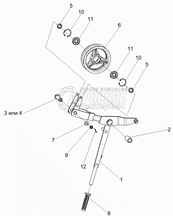
Каталог запасных частей к технике: Гомсельмаш КЗС-10К Палессе GS10. Рычаг КЗК 0202410В

Рычаг КЗК 0202410В

zoom-in zoom-out enlarge shrink circle-right circle-left file-text2 info cart
3
4
5
6
7
7
8
9
10
11
12
12
13
13
14
Изображение Артикул товара Наименование Наличие Единица измерения Количество Цена Корзина
1
КЗК0202410В Рычаг Под заказ -
2
КЗК0202940В Рычаг Под заказ -
3
КЗК0202950Б Рычаг Под заказ -
4
КЗК0202127 Втулка Под заказ -
5
КЗК0202645А Ось Под заказ -
6
КЗК0202645А-01 Ось Под заказ -
7
КЗК0202838 Втулка Под заказ -
8
КПР6106101 Ролик Под заказ -
9
ПКК0100411А Шайба Под заказ -
10
3.115-34120 Рукоятка руля левая А, ОН 2307-017-69 Под заказ -
11
ГайкаM12-6G-5919 Гайка M12-6G-5919 Под заказ -
12
В52-13943 Кольцо Под заказ -
13
180205С17-8882 Подшипник 180205С17-8882 Под заказ -
14
Шплинт3.2x25-397 Шплинт 3.2x25-397 Под заказ -
Содержащиеся в справочниках-каталогах запасные части и детали не предлагаются к продаже, а носят исключительно информационный характер


Наши преимущества