Каталог запасных частей к технике: Гомсельмаш КВК-6025. Установка устройства доизмельчающего КСК-6025-0157000

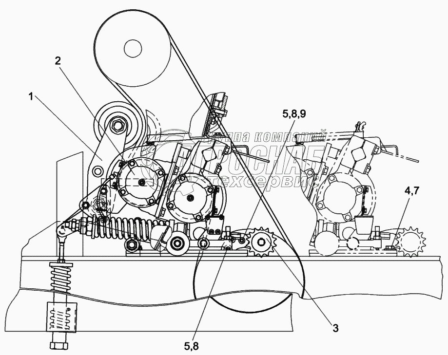
Установка устройства доизмельчающего КСК-6025-0157000

zoom-in zoom-out enlarge shrink circle-right circle-left file-text2 info cart
2
3
4
5
6
6
7
8
8
9
Изображение Артикул товара Наименование Наличие Единица измерения Количество Цена Корзина
1
КСК-6025-0157000 Установка устройства доизмельчающего Под заказ -
2
КСК-6025-0132000 Передача ременная Под заказ -
3
КСК-6025-0157010 Устройство доизмельчающее Под заказ -
4
КСК-6025-0157170 Механизм перемещения Под заказ -
5
КЗР0202674А Шайба Под заказ -
6
БолтМ10-6ex25-7796 Болт М10-6eх25-7796 Под заказ -
7
БолтМ16x1,5-6ex40-7796 Болт М16Х1,5-6eх40-7796 Под заказ -
8
Шайба10Т.65Г-6402 Шайба 10Т.65Г-6402 Под заказ -
9
ШайбаC10.01-6958 Шайба C 10.01-6958 Под заказ -
Содержащиеся в справочниках-каталогах запасные части и детали не предлагаются к продаже, а носят исключительно информационный характер


Наши преимущества