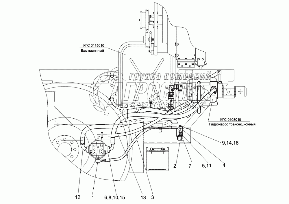
Каталог запасных частей к технике: Гомсельмаш КСК-600. Гидросистема привода ходовой части КГС 0108000

Гидросистема привода ходовой части КГС 0108000

zoom-in zoom-out enlarge shrink circle-right circle-left file-text2 info cart
1
2
3
4
5
6
7
8
9
10
11
12
13
14
15
16
17
18
19
Изображение Артикул товара Наименование Наличие Единица измерения Количество Цена Корзина
1
КГС 0108000 Гидросистема привода ходовой части Под заказ -
2
КГС 0115010 Бак масляный Под заказ -
3
КГС 0108010 Гидронасос трехсекционный Под заказ -
4
А23-02.160 Хомут стяжной Под заказ -
5
МС 12-3-020-01 Полумуфта внутренняя В наличии шт 4 655 ₽4 655 ₽
6
КГС 0108002-01 Рукав всасывающий 20х29-1,6-10362 L=1250+10 мм Под заказ -
7
КГС 0108401 Кронштейн Под заказ -
8
КИЛ 0118613 Штуцер Под заказ -
9
ГСТ 90-00.003 Кольцо уплотнительное Под заказ -
10
ПКК 0135665 Гайка специальная Под заказ -
11
УЭС-7-0601614 Полуфланец Под заказ -
12
Болт М10-6ех30-7796 Болт М10-6ех30-7796 Под заказ -
13
Болт М12-6ех45-7796 Болт М12-6ех45-7796 Под заказ -
14
Кольцо 019-022-19-2-2-18829/9833 Кольцо 019-022-19-2-2-18829/9833 Под заказ -
15
РВД 25-4SH-SAEj1518-2200-900-900 Рукав высокого давления Под заказ -
16
РВД 25-4SH-SAEj518M42х2-240-1400-900-900 /2700 Рукав высокого давления Под заказ -
17
Шайба 10Т 65Г-6402 Шайба 10Т 65Г-6402 Под заказ -
18
Шайба 12Т 65Г-6402 Шайба 12Т 65Г-6402 Под заказ -
19
Шайба С.10.01-6958 Шайба С.10.01-6958 Под заказ -
Содержащиеся в справочниках-каталогах запасные части и детали не предлагаются к продаже, а носят исключительно информационный характер


Наши преимущества