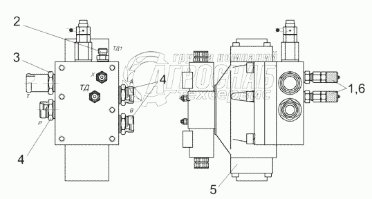
Каталог запасных частей к технике: Гомсельмаш КСК-600. Гидроблок адаптеров КГС 0115160

Гидроблок адаптеров КГС 0115160

zoom-in zoom-out enlarge shrink circle-right circle-left file-text2 info cart
2
3
4
5
5
6
7
Изображение Артикул товара Наименование Наличие Единица измерения Количество Цена Корзина
1
КГС0115160 Гидроблок адаптеров Под заказ -
2
ГШМ6014240-01 Штуцер Под заказ -
3
ГШМ6014600 Штуцер Под заказ -
4
ГШМ6027000-01 Штуцер Под заказ -
5
ГШМ6027240-06 Штуцер Под заказ -
6
GB1-02-KSK600-24V-1K-BY10 Гидроблок Под заказ -
7
АВ20-11/ВО8L Резьбовое соединение с колпачком АВ20-11/ВО8L (фирма “Bosh-Rexroth”, Германия) Под заказ -
Содержащиеся в справочниках-каталогах запасные части и детали не предлагаются к продаже, а носят исключительно информационный характер


Наши преимущества