Каталог запасных частей к технике: Гомсельмаш КСК-100А. Установка дизеля СМД-72

Установка дизеля СМД-72

zoom-in zoom-out enlarge shrink circle-right circle-left file-text2 info cart
2
3
4
5
6
7
8
9
10
11
12
12
13
14
15
16
17
18
Изображение Артикул товара Наименование Наличие Единица измерения Количество Цена Корзина
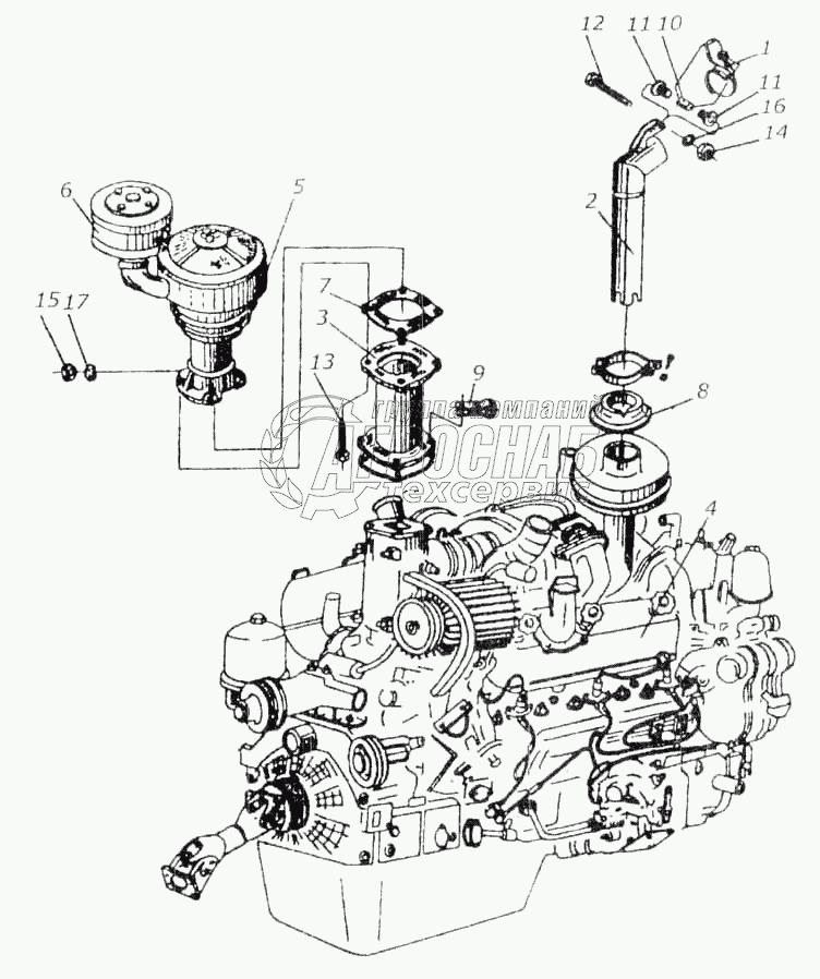
1
КИС 0106330Б Труба выхлопная Под заказ -
2
КИС 0106120А Крышка Под заказ -
3
КИС 0106340Б Труба выхлопная Под заказ -
4
КИС 0106780А Проставка Под заказ -
5
72-0000.100 Дизель СМД-72 Под заказ -
6
64-12002.10 Воздухоочиститель Под заказ -
7
72-12023.00 Воздухозаборник вращающийся Под заказ -
8
КИС 0106005А Прокладка Под заказ -
9
КИС 0106435 Крышка Под заказ -
10
КИС 0106455 Держатель Под заказ -
11
60-07119-01 Трубка внутренняя Под заказ -
12
60-07140-00 Втулка Под заказ -
13
М8х60.56.019 Болт ГОСТ 7798-70 Под заказ -
14
М12х56.56.019 Болт ГОСТ 7796-70 Под заказ -
15
М8.6.019 Гайка ГОСТ 5915-70 Под заказ -
16
М12.6.019 Гайка ГОСТ 5915-70 Под заказ -
17
8.65Г.019 Шайба ГОСТ 6402-70 Под заказ -
18
12.65Г.019 Шайба ГОСТ 6402-70 Под заказ -
Содержащиеся в справочниках-каталогах запасные части и детали не предлагаются к продаже, а носят исключительно информационный характер


Наши преимущества