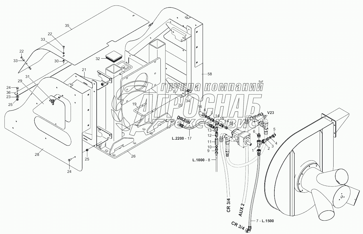
Каталог запасных частей к технике: Gaspardo Сеялка MAXIMETRO. SEED ASPIRATOR VARIANTS

SEED ASPIRATOR VARIANTS

zoom-in zoom-out enlarge shrink circle-right circle-left file-text2 info cart
1
1
2
2
3
4
5
5
Изображение Артикул товара Наименование Наличие Единица измерения Количество Цена Корзина
1
F01020436 SCREW M8X1,25X20 U5739 8.8 ZN Под заказ -
2
F01020472 BOLT 10X25 5739 8.G GALVANIZED Под заказ -
3
F02250683 CYLINDRICAL NUT 8 TC 40 Под заказ -
4
F06220018 3-LOBE HANDWHEEL D.65-M8X15 Под заказ -
5
F01410051 WASHER M8 8,4X17X1,6 U6592 ZN Под заказ -
Содержащиеся в справочниках-каталогах запасные части и детали не предлагаются к продаже, а носят исключительно информационный характер


Наши преимущества