Каталог запасных частей к технике: Бобруйскагромаш МЖТ-6. Клапан предохранительный вакуумный РЖТ84.00.000

Клапан предохранительный вакуумный РЖТ84.00.000

zoom-in zoom-out enlarge shrink circle-right circle-left file-text2 info cart
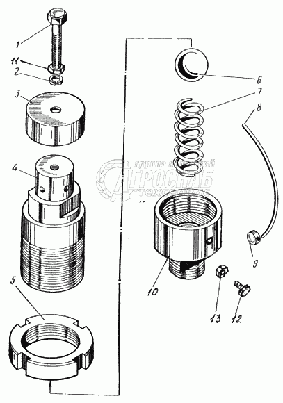
1
2
3
4
5
6
7
8
9
10
11
12
13
Изображение Артикул товара Наименование Наличие Единица измерения Количество Цена Корзина
1
М10х25 ГОСТ 7796-70 Болт Под заказ -
2
А10 ГОСТ 11371-78 Шайба Под заказ -
3
РЖТ 26.401 Колпачок Под заказ -
4
РЖТ 84.00.603 Корпус Под заказ -
5
МЖТ-16.00.00.605 Контргайка Под заказ -
6
Б 31,75.200 ГОСТ 3722-81 Шарик Под заказ -
7
РЖТ 26.601 Пружина Под заказ -
8
0,7-0-1Ц ГОСТ 3282-74 Проволока Под заказ -
9
10/6,5 ГОСТ 19133-73 Пломба Под заказ -
10
РЖТ 84.00.604 Переходник Под заказ -
11
М10 ГОСТ 5915-70 Гайка Под заказ -
12
3М8х20 ГОСТ 7796-70 Болт Под заказ -
13
М8 ГОСТ 5915-70 Гайка Под заказ -
Содержащиеся в справочниках-каталогах запасные части и детали не предлагаются к продаже, а носят исключительно информационный характер


Наши преимущества