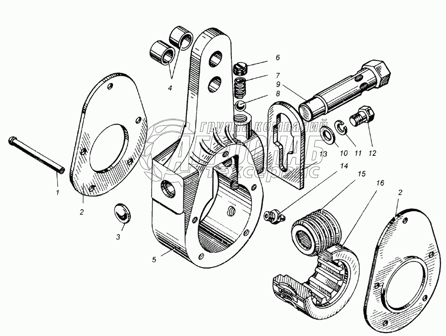
Каталог запасных частей к технике: Бобруйскагромаш МЖТ-10. Рычаг регулировочный 500-3501136-01

Рычаг регулировочный 500-3501136-01

zoom-in zoom-out enlarge shrink circle-right circle-left file-text2 info cart
1
2
2
3
4
5
6
7
8
9
10
11
12
13
14
15
16
Изображение Артикул товара Наименование Наличие Единица измерения Количество Цена Корзина
1
500-3501146 Заклепка Под заказ -
2
500-3501143 Крышка корпуса Под заказ -
3
260305-П29 Заглушка Под заказ -
4
200-3501139-Б Втулка Под заказ -
5
500-3501138-10 Корпус рычага Под заказ -
6
200-3501148-10 Пробка фиксатора Под заказ -
7
500А-3501153 Пружина фиксатора Под заказ -
8
11.7.938В.3722 Шарик Под заказ -
9
500-3501142-10 Ось червяка Под заказ -
10
252135-П2 Шайба В наличии шт 6 ₽6 ₽
11
252005-П29 Шайба 8 Под заказ шт 0 ₽
12
М8х16.7796 Болт Под заказ -
13
500-3501154-10 Пластина стопорная Под заказ -
14
1.3.Ц6.19853 Масленка Под заказ -
15
500-3501141 Червяк рычага Под заказ -
16
500-3501140 Шестерня рычага Под заказ -
Содержащиеся в справочниках-каталогах запасные части и детали не предлагаются к продаже, а носят исключительно информационный характер


Наши преимущества