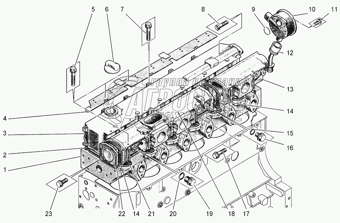
Каталог запасных частей к технике: Агротехмаш АТМ-5280. Установка головки цилиндров и патрубков

Установка головки цилиндров и патрубков

zoom-in zoom-out enlarge shrink circle-right circle-left file-text2 info cart
1
2
3
4
5
7
6
5
7
8
11
9
10
8
11
12
13
14
14
15
16
17
18
19
20
21
22
23
Изображение Артикул товара Наименование Наличие Единица измерения Количество Цена Корзина
1
АТM0920201 Головка блока цилиндров Под заказ -
2
10003714 Прокладка Под заказ -
3
90001639 Колпак головки Под заказ -
4
90002014 Крышка Под заказ -
5
90001530 Болт Под заказ -
6
90001640 Крышка Под заказ -
7
90001530 Болт Под заказ -
8
90001564 Болт Под заказ -
9
90001563 Кольцо Под заказ -
10
90001562 Сапун Под заказ -
11
90001564 Болт Под заказ -
12
90001565 Патрубок Под заказ -
13
90001810 Впускной коллектор Под заказ -
14
90001542 Прокладка Под заказ шт 0 ₽
15
90001511 Кольцо Под заказ -
16
90001516 Пробка Под заказ -
17
90001806 Болт Под заказ -
18
90001808 Впускной коллектор Под заказ -
19
90001507 Пробка Под заказ -
20
90001524 Кольцо Под заказ -
21
10007245 Прокладка Под заказ шт 986 ₽986 ₽
22
90001797 Крышка Под заказ -
23
90001538 Болт Под заказ -
Содержащиеся в справочниках-каталогах запасные части и детали не предлагаются к продаже, а носят исключительно информационный характер


Наши преимущества