| № | Изображение | Артикул товара | Наименование | Наличие | Единица измерения | Количество | Цена | Корзина | |
|---|---|---|---|---|---|---|---|---|---|
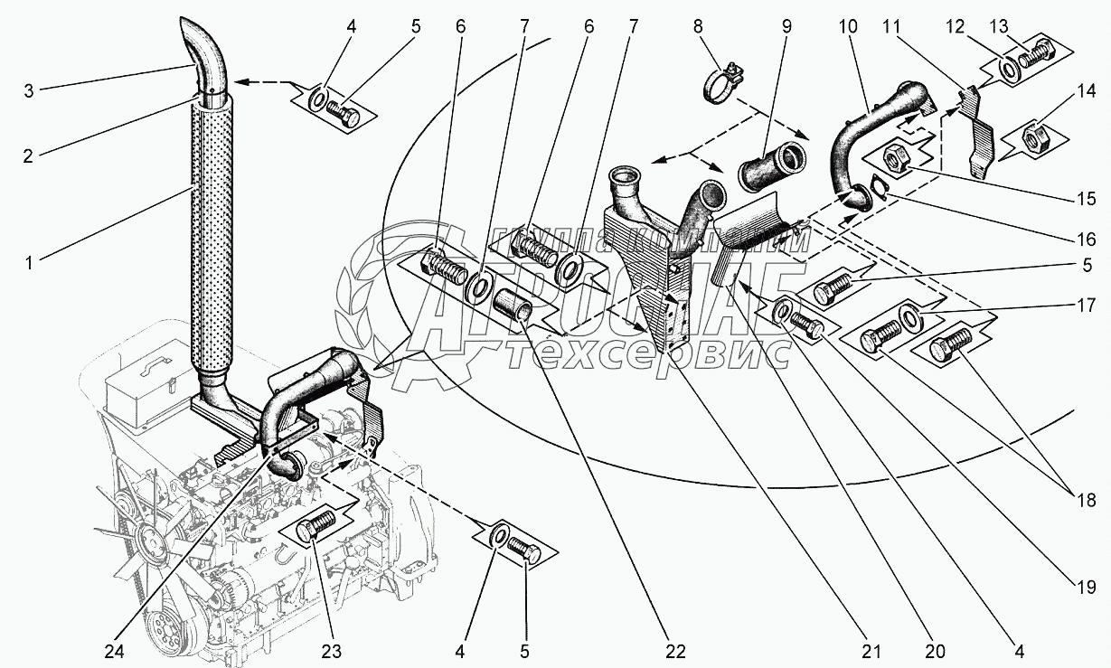
| 1 | 10001643 | Глушитель выпуска | Под заказ | - | |||||
| 2 | 10002032 | Втулка глушителя | Под заказ | - | |||||
| 3 | 10002439 | Насадка | Под заказ | - | |||||
| 4 | 10001523 | Шайба | Под заказ | - | |||||
| 5 | 10002735 | Болт | Под заказ | - | |||||
| 6 | 10001682 | Болт | Под заказ | - | |||||
| 7 | 10004408 | Шайба | Под заказ | - | |||||
| 8 | 10002359 | Хомут | Под заказ | - | |||||
| 9 | 10001263 | Сильфон | Под заказ | - | |||||
| 10 | 10002339 | Труба | Под заказ | - | |||||
| 11 | 10001862 | Кронштейн | Под заказ | - | |||||
| 12 | 10001843 | Шайба | Под заказ | - | |||||
| 13 | 10002091 | Болт | Под заказ | - | |||||
| 14 | 10003867 | Гайка | Под заказ | - | |||||
| 15 | 10004509 | Гайка | Под заказ | - | |||||
| 16 | 10000144 | Прокладка | Под заказ | - | |||||
| 17 | 10001843 | Шайба | Под заказ | - | |||||
| 18 | 10001603 | Болт | Под заказ | - | |||||
| 19 | 10004019 | Болт | Под заказ | - | |||||
| 20 | 10004016 | Кронштейн сильфона | Под заказ | - | |||||
| 21 | 10002340 | Кронштейн глушителя и воздухозаборника | Под заказ | шт | 126 588 ₽126 588 ₽ | ||||
| 22 | 10001584 | Втулка | Под заказ | - | |||||
| 23 | 10002425 | Болт | Под заказ | - | |||||
| 24 | 10004641 | Планка | Под заказ | - |