Каталог запасных частей к технике: Агротехмаш АТМ-5280. Установка гидросистемы

Установка гидросистемы

zoom-in zoom-out enlarge shrink circle-right circle-left file-text2 info cart
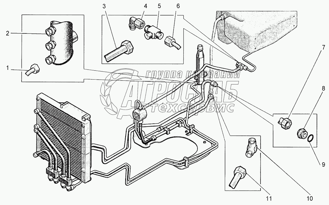
1
2
3
4
5
6
7
8
9
10
11
Изображение Артикул товара Наименование Наличие Единица измерения Количество Цена Корзина
1
10003454 Трубопровод Под заказ -
2
10003974 Коллектор Под заказ -
3
10001119 Трубопровод Под заказ -
4
АТM0916404 Уголок Под заказ -
5
10001136 Тройник Под заказ -
6
10000257 Трубопровод Под заказ -
7
10001118 Трубопровод Под заказ -
8
10001040 Штуцер прямой Под заказ -
9
10004783 Кольцо Под заказ -
10
10001003 Штуцер Под заказ -
11
10001121 Трубопровод Под заказ -
Содержащиеся в справочниках-каталогах запасные части и детали не предлагаются к продаже, а носят исключительно информационный характер


Наши преимущества