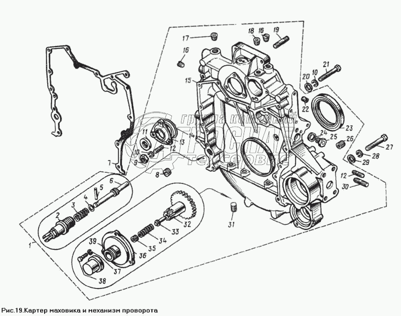
Каталог запасных частей к технике: ЯМЗ-850. Картер маховика и механизм проворота

Картер маховика и механизм проворота

zoom-in zoom-out enlarge shrink circle-right circle-left file-text2 info cart
1
2
3
4
5
6
7
8
9
10
10
11
12
12
13
14
15
33
16
17
18
19
20
21
22
23
24
25
26
27
28
29
30
31
32
15
33
34
35
36
37
Изображение Артикул товара Наименование Наличие Единица измерения Количество Цена Корзина
1
840.1002310-60 Картер маховика в сборе Под заказ -
2
840.1005444 Корпус фиксатора Под заказ -
3
840.1005446 Пружина фиксатора Под заказ -
4
238Н-1722063 Кольцо уплотнительное В наличии шт 29 ₽29 ₽
5
313412-П29 Штифт Под заказ -
6
840.1005442 Фиксатор маховика Под заказ -
7
840.1002314 Прокладка картера Под заказ -
8
840.1002339 Вставка картера Под заказ -
9
250517-П29 Гайка В наличии шт 29 ₽29 ₽
10
252136-П2 Шайба 10 пружинная В наличии шт 13 ₽13 ₽
11
840.1029438 Манжета в сборе Под заказ -
12
216459-П29 Шпилька Под заказ -
13
840.1029172 Корпус переднего подшипника Под заказ -
14
840.1002312-60 Картер маховика Под заказ -
15
316139-П2 Пробка К1/2dm Под заказ -
16
316135-П Пробка Под заказ -
17
216564-П29 Шпилька Под заказ -
18
252006-П29 Шайба плоская Под заказ шт 9 ₽9 ₽
19
200466-П29 Болт Под заказ -
20
316601-П29 Ввертыш Под заказ -
21
840.1005160 Манжета задняя в сборе Под заказ -
22
312768-П Шайба Под заказ -
23
316615-П29 Ввертыш Под заказ -
24
316610-П29 Ввертыш Под заказ -
25
200404-П29 Болт Под заказ шт 201 ₽201 ₽
26
252137-П2 Шайба пружинная Под заказ шт 21 ₽21 ₽
27
252007-П29 Шайба плоская Под заказ шт 10 ₽10 ₽
28
216626-П29 Шпилька Под заказ шт 141 ₽141 ₽
29
316600-П29 Ввертыш Под заказ -
30
840.1005678 Шестерня механизма поворота Под заказ -
31
240-1005683 Упор Под заказ -
32
240-1005681 Пружина Под заказ -
33
316139-П2 Пробка К1/2dm Под заказ -
34
840.1005676 Корпус Под заказ -
35
252134-П2 Шайба пружинная Под заказ шт 0 ₽
36
201420-П29 Болт М6х20 Под заказ -
37
840.1005688 Колпачок Под заказ -
Содержащиеся в справочниках-каталогах запасные части и детали не предлагаются к продаже, а носят исключительно информационный характер


Наши преимущества