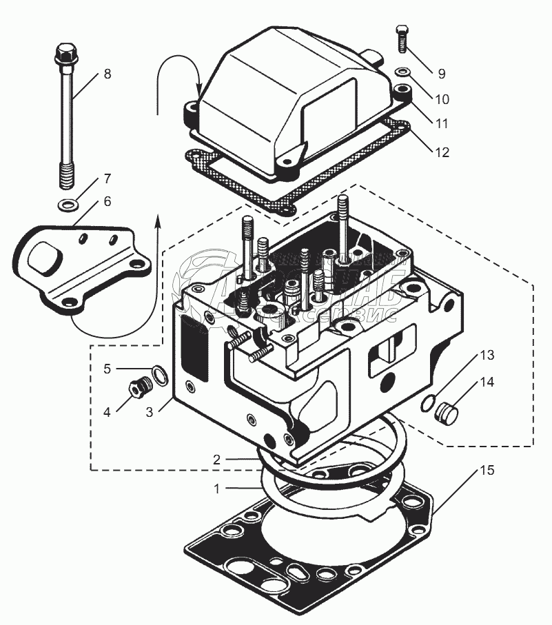
Каталог запасных частей к технике: ЯМЗ-850.10. Головка цилиндра

Головка цилиндра

zoom-in zoom-out enlarge shrink circle-right circle-left file-text2 info cart
1
2
3
4
5
6
7
8
9
10
11
12
13
14
15
16
Изображение Артикул товара Наименование Наличие Единица измерения Количество Цена Корзина
1
840.1003212-30 Прокладка головки Под заказ -
2
840.1003466 Кольцо уплотнительное газового стыка Под заказ -
3
840.1003013-20 Головка цилиндра в сборе Под заказ -
4
316603-П29 Ввертыш Под заказ -
5
201.1015624 Прокладка ввертыша Под заказ -
6
841.1002350 Рым Под заказ -
7
841.1002351 Рым Под заказ -
8
312693-П29 Шайба Под заказ -
9
840.1003016-01 Болт крепления головки Под заказ -
10
201464-П29 Болт М8х40 В наличии шт 20 ₽20 ₽
11
252005-П29 Шайба плоская Под заказ шт 0 ₽
12
840.1003264 Крышка головки Под заказ -
13
840.1003270 Прокладка крышки Под заказ -
14
238Н-1723031 Кольцо уплотнительное Под заказ -
15
840.1003436 Заглушка Под заказ -
16
840.1003213-02 Прокладка Под заказ -
Содержащиеся в справочниках-каталогах запасные части и детали не предлагаются к продаже, а носят исключительно информационный характер


Наши преимущества