Каталог запасных частей к технике: ЯМЗ-8423. Впускные коллекторы

Впускные коллекторы

zoom-in zoom-out enlarge shrink circle-right circle-left file-text2 info cart
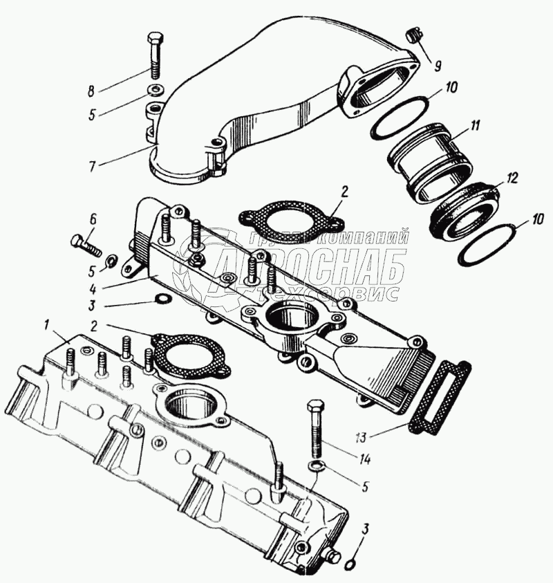
1
2
2
3
3
4
5
5
5
6
7
8
9
10
10
11
12
13
14
Изображение Артикул товара Наименование Наличие Единица измерения Количество Цена Корзина
1
8423.1115014-11 Коллектор левый в сборе Под заказ -
2
842.1115036 Прокладка патрубка Под заказ -
3
201.1015624 Прокладка ввертыша Под заказ -
4
842.1115012-10 Коллектор впускной правый в сборе Под заказ -
5
252006-П29 Шайба плоская Под заказ шт 9 ₽9 ₽
6
201680-П29 Болт В наличии шт 61 ₽61 ₽
7
842.1115032-20 Патрубок соединительный Под заказ -
8
200463-П29 Болт Под заказ -
9
316105-П29 Пробка К1/8" Под заказ -
10
25 3111 2299 Кольцо 108-115-46-2-1 Под заказ -
11
8423.1115338-10 Втулка Под заказ -
12
8423.1115342-10 Чехол втулки защитный Под заказ -
13
840.1115026 Прокладка коллектора Под заказ -
14
45 9328 1097 Болт Под заказ -
Содержащиеся в справочниках-каталогах запасные части и детали не предлагаются к продаже, а носят исключительно информационный характер


Наши преимущества