| № | Изображение | Артикул товара | Наименование | Наличие | Единица измерения | Количество | Цена | Корзина | |
|---|---|---|---|---|---|---|---|---|---|
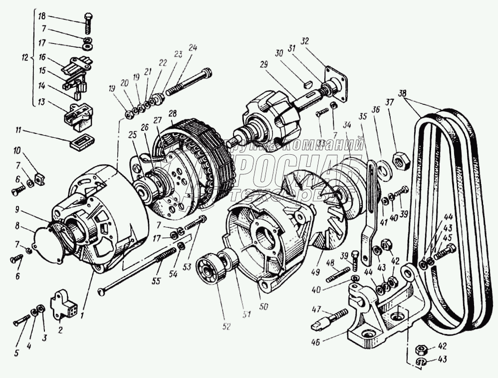
| 1 | 5702.3701300 | Крышка со стороны контактных колец в сборе | Под заказ | - | |||||
| 2 | 5702.3701010 | Генератор в сборе | Под заказ | - | |||||
| 3 | 5702.3701301 | Крышка со стороны контактных колец | Под заказ | - | |||||
| 4 | 3802.3701306 | Колодка | Под заказ | - | |||||
| 5 | Мil-40028 | Шайба | Под заказ | - | |||||
| 6 | Х-1012-Т | Шайба | Под заказ | - | |||||
| 7 | 8Х-4166 | Винт | Под заказ | - | |||||
| 8 | 7Х-1542 | Винт | Под заказ | - | |||||
| 9 | Х-4001-Т | Шайба | Под заказ | - | |||||
| 10 | 5702.3701060 | Крышка подшипника | Под заказ | - | |||||
| 11 | 193701008 | Кольцо уплотнительное | Под заказ | - | |||||
| 12 | 8К14-3708053 | Скоба | Под заказ | - | |||||
| 13 | 3802-3701007 | Прокладка уплотни-тельная | Под заказ | - | |||||
| 14 | Г250П1-3701010 | Щеткодержатель в сборе | Под заказ | - | |||||
| 15 | Г250П1-3701011 | Щеткодержатель | Под заказ | - | |||||
| 16 | Г250П1-3701020 | Щетка | Под заказ | - | |||||
| 17 | Г250П1-3701030 | Щетка | Под заказ | - | |||||
| 18 | Г250П1-3701012 | Крышка щеткодержателя | Под заказ | - | |||||
| 19 | 8Х-1497 | Шайба | Под заказ | - | |||||
| 20 | Г250-3701016 | Болт специальный | Под заказ | - | |||||
| 21 | 8Х-1537 | Гайка | Под заказ | - | |||||
| 22 | МХ-0246-Т | Шайба | Под заказ | - | |||||
| 23 | Х-4069-Т | Шайба | Под заказ | - | |||||
| 24 | 1-МЮ-37-Т | Шайба | Под заказ | - | |||||
| 25 | 3802-3701319 | Втулка | Под заказ | - | |||||
| 26 | 3802.3701309 | Болт контактный | Под заказ | - | |||||
| 27 | 6-180603К1С9 | Подшипник шариковый радиальный однорядный с двусторонним уплотнением 20х52х18 | Под заказ | - | |||||
| 28 | 38023701308 | Кольцо уплотнительное | Под заказ | - | |||||
| 29 | ИАЕЮ.4352.14002 | Блок БПВ 7-100-02 выпрямительный | Под заказ | - | |||||
| 30 | 5702.3701100 | Статор | Под заказ | - | |||||
| 31 | 5702.37012 | Ротор | Под заказ | - | |||||
| 32 | 45 9824 1264 | Шпонка | Под заказ | - | |||||
| 33 | 5702.3701214 | Втулка распорная | Под заказ | - | |||||
| 34 | 3802.3701404 | Шайба специальная | Под заказ | - | |||||
| 35 | 3802.3701406 | Винт специальный | Под заказ | - | |||||
| 36 | 5702.3701051 | Шкив генератора | Под заказ | - | |||||
| 37 | 841.3701790 | Планка натяжная | Под заказ | - | |||||
| 38 | МХ-0234-Т | Шайба | Под заказ | - | |||||
| 39 | МХ-0235 | Гайка | Под заказ | - | |||||
| 40 | 84211-3701002 | Комплект ремней | Под заказ | - | |||||
| 41 | 201460-П29 | Болт М8х30 | Под заказ | шт | 9 ₽9 ₽ | ||||
| 42 | 252135-П2 | Шайба пружинная | В наличии | шт | 6 ₽6 ₽ | ||||
| 43 | 252038-П2 | Шайба | Под заказ | - | |||||
| 44 | 250517-П29 | Гайка | В наличии | шт | 29 ₽29 ₽ | ||||
| 45 | 252136-П2 | Шайба 10 пружинная | В наличии | шт | 13 ₽13 ₽ | ||||
| 46 | 252006-П29 | Шайба плоская | Под заказ | шт | 9 ₽9 ₽ | ||||
| 47 | 201682-П29 | Болт | Под заказ | шт | 141 ₽141 ₽ | ||||
| 48 | 8423.3701774 | Кронштейн крепления генератора | Под заказ | - | |||||
| 49 | 841.3701780 | Палец крепления генератора | Под заказ | - | |||||
| 50 | 216459-П29 | Шпилька | Под заказ | - | |||||
| 51 | 3802.3701055 | Вентилятор | Под заказ | - | |||||
| 52 | 5702.3701400 | Крышка со стороны привода в сборе | Под заказ | - | |||||
| 53 | 5702.3701401 | Крышка со стороны привода | Под заказ | - | |||||
| 54 | 3802.3701054 | Втулка | Под заказ | - | |||||
| 55 | 6-1180304КС9 | Подшипник шариковый | Под заказ | - | |||||
| 56 | МХ-0139 | Винт | Под заказ | - | |||||
| 57 | Х-1482-Т | Шайба | Под заказ | - | |||||
| 58 | 3802.3701061 | Винт стяжной | Под заказ | - |