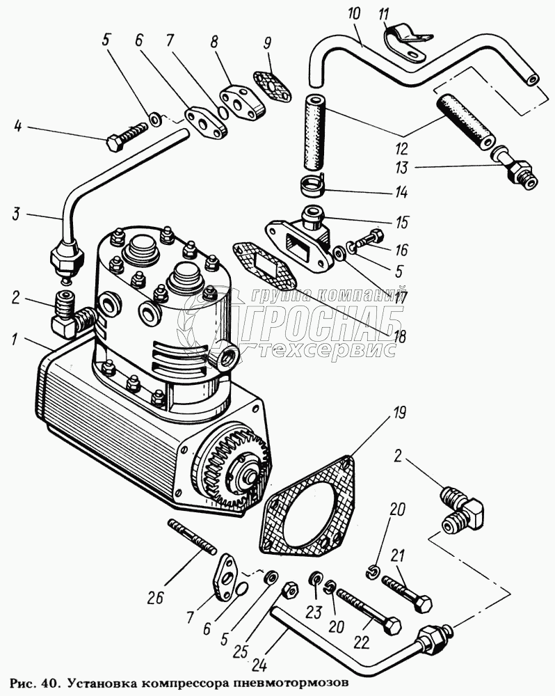
Каталог запасных частей к технике: ЯМЗ-8423.10. Установка компрессора пневмотормозов

Установка компрессора пневмотормозов

zoom-in zoom-out enlarge shrink circle-right circle-left file-text2 info cart
1
2
2
3
4
5
5
5
6
6
7
7
8
9
10
11
12
13
14
15
16
17
18
19
20
20
21
22
23
24
25
26
Изображение Артикул товара Наименование Наличие Единица измерения Количество Цена Корзина
1
13.3509012-20 Компрессор в сборе Под заказ -
2
314510-П Угольник В наличии шт 2 190 ₽2 190 ₽
3
8423.3509280 Трубка слива воды Под заказ -
4
201468-П29 Болт Под заказ шт 19 ₽19 ₽
5
252135-П2 Шайба пружинная В наличии шт 6 ₽6 ₽
6
840.3509294 Фланец трубки Под заказ -
7
238Н-1722063 Кольцо уплотнительное В наличии шт 29 ₽29 ₽
8
8401.3509432-10 Фланец трубки Под заказ -
9
8401.3509436 Прокладка фланца Под заказ -
10
8423.3509242 Трубка подвода воздуха Под заказ -
11
315356-П29 Кляммер Под заказ -
12
8423.3509257 Рукав соединительный Под заказ -
13
314601-П Штуцер Под заказ -
14
316215-П Хомут в сборе Под заказ -
15
842.3509252 Патрубок подвода Под заказ -
16
201458-П29 Болт М8х25 В наличии шт 20 ₽20 ₽
17
252005-П29 Шайба плоская Под заказ шт 0 ₽
18
842.3509413 Прокладка патрубка Под заказ -
19
840.3509403-10 Прокладка картера компрессора Под заказ -
20
252136-П2 Шайба 10 пружинная В наличии шт 13 ₽13 ₽
21
200466-П29 Болт Под заказ -
22
200471-П29 Болт Под заказ шт 185 ₽185 ₽
23
252006-П2 Шайба Под заказ -
24
842.3509278-10 Трубка подвода воды Под заказ -
25
250511-П29 Гайка Под заказ шт 22 ₽22 ₽
26
216523-П29 Шпилька Под заказ -
Содержащиеся в справочниках-каталогах запасные части и детали не предлагаются к продаже, а носят исключительно информационный характер


Наши преимущества