| № | Изображение | Артикул товара | Наименование | Наличие | Единица измерения | Количество | Цена | Корзина | |
|---|---|---|---|---|---|---|---|---|---|
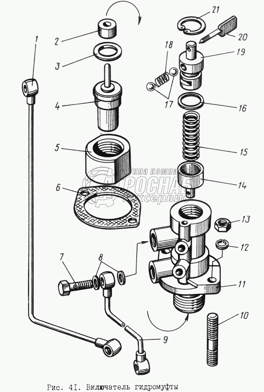
| 1 | 8423.1319010-10 | Включатель гидромуфты в сборе | Под заказ | - | |||||
| 2 | 842.1319140 | Трубка отводящая | Под заказ | - | |||||
| 3 | 240-1305036 | Кольцо уплотнительное | Под заказ | шт | 90 ₽90 ₽ | ||||
| 4 | 8423.1305036 | Прокладка уплотнительная | Под заказ | - | |||||
| 5 | 312472-П | Шайба | В наличии | шт | 66 ₽66 ₽ | ||||
| 6 | 312798-П | Прокладка регулировочная | Под заказ | - | |||||
| 7 | 842.1319030 | Гайка | Под заказ | - | |||||
| 8 | 8423.1319030 | Гайка | Под заказ | - | |||||
| 9 | 240Б-1318218 | Прокладка | Под заказ | - | |||||
| 10 | 842.1319062 | Прокладка корпуса | Под заказ | - | |||||
| 11 | 310122-П29 | Болт М10х1х22 | Под заказ | шт | 211 ₽211 ₽ | ||||
| 11 | 310122-П29 | Болт М10х1х22 | Под заказ | шт | 201 ₽201 ₽ | ||||
| 12 | 312482-П34 | Шайба | В наличии | шт | 124 ₽124 ₽ | ||||
| 13 | 842.1319120 | Трубка подводящая | Под заказ | - | |||||
| 14 | 216526-П29 | Шпилька | Под заказ | шт | 151 ₽151 ₽ | ||||
| 15 | 842.1319020 | Корпус включателя | Под заказ | - | |||||
| 16 | 252135-П2 | Шайба пружинная | В наличии | шт | 6 ₽6 ₽ | ||||
| 17 | 2505П-П29 | Гайка | Под заказ | - | |||||
| 18 | 842.1319034 | Золотник включателя | Под заказ | - | |||||
| 19 | 842.1319038 | Пружина возвратная | Под заказ | - | |||||
| 20 | 201-1015466 | Шарик фиксатора | Под заказ | - | |||||
| 21 | 842.1319053 | Пружина | Под заказ | - | |||||
| 22 | 842.1319042 | Пробка переключения режимов | Под заказ | - | |||||
| 23 | 841.1319046 | Рычаг переключающий | Под заказ | - | |||||
| 24 | 240Н-1118034-А | Кольцо пружинное упорное | Под заказ | - |