| № | Изображение | Артикул товара | Наименование | Наличие | Единица измерения | Количество | Цена | Корзина | |
|---|---|---|---|---|---|---|---|---|---|
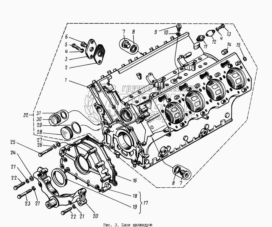
| 1 | 842.1002011 | Блок цилиндров в сборе | Под заказ | - | |||||
| 2 | 236-1011296 | Прокладка переднего фланца | Под заказ | шт | 14 ₽14 ₽ | ||||
| 3 | 841.1002084 | Крышка водяной полости | Под заказ | - | |||||
| 4 | 252135-П2 | Шайба пружинная | В наличии | шт | 6 ₽6 ₽ | ||||
| 5 | 201458-П29 | Болт М8х25 | В наличии | шт | 20 ₽20 ₽ | ||||
| 6 | 316198-П29 | Пробка | Под заказ | - | |||||
| 7 | 316106-П29 | Пробка | Под заказ | - | |||||
| 8 | 312326-П | Шайба 14 | Под заказ | - | |||||
| 9 | 316107-П2 | Пробка | Под заказ | - | |||||
| 10 | 312630-П | Шайба | Под заказ | - | |||||
| 11 | 8423.1303276 | Прокладка патрубка | Под заказ | - | |||||
| 12 | 841.1002208 | Заглушка | Под заказ | - | |||||
| 13 | 201456-П29 | Болт М8-6gх20 | Под заказ | шт | 19 ₽19 ₽ | ||||
| 14 | 841.1002265 | Прокладка | Под заказ | - | |||||
| 15 | 841.1002260 | Крышка передняя в сборе | Под заказ | - | |||||
| 16 | 841.1002264 | Крышка передняя | Под заказ | - | |||||
| 17 | 840.1005034 | Манжета передняя в сборе | Под заказ | - | |||||
| 18 | 841.1001017 | Кронштейн передней опоры | Под заказ | - | |||||
| 19 | 252138-П | Шайба | Под заказ | - | |||||
| 20 | 252016-П29 | Шайба | Под заказ | шт | 25 ₽25 ₽ | ||||
| 21 | 200460-П29 | Болт | В наличии | шт | 95 ₽95 ₽ | ||||
| 22 | 252136-П2 | Шайба 10 пружинная | В наличии | шт | 19 ₽19 ₽ | ||||
| 23 | 252006-П29 | Шайба плоская | Под заказ | шт | 7 ₽7 ₽ | ||||
| 24 | 840.1002524 | Заглушка отверстия распределительного вала | Под заказ | - | |||||
| 25 | 841.1002025 | Заглушка | Под заказ | - | |||||
| 26 | 842.1002012 | Блок цилиндров в сборе | Под заказ | - |