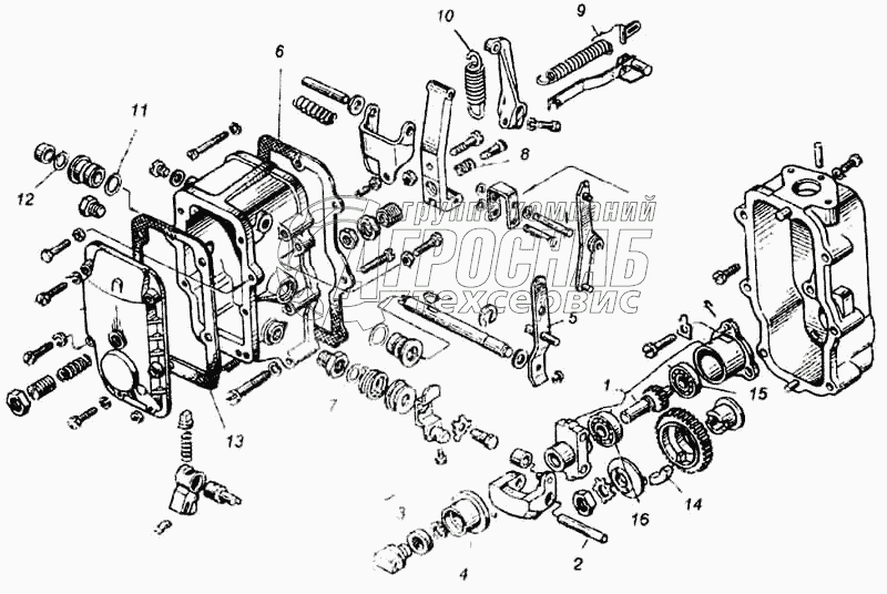
Каталог запасных частей к технике: ЯМЗ-8401. Регулятор частоты вращения

Регулятор частоты вращения

zoom-in zoom-out enlarge shrink circle-right circle-left file-text2 info cart
1
2
3
4
5
6
7
8
9
10
11
12
13
14
15
16
Изображение Артикул товара Наименование Наличие Единица измерения Количество Цена Корзина
1
240-1110040-А Державка грузов со стаканом в сборе Под заказ -
2
236-1110049 Ось груза регулятора Под заказ -
3
8102 Подшипник шариковый упорный однорядный 15х28х9 Под заказ -
4
236-1110060-А3 Муфта грузов в сборе Под заказ -
5
236-1110151 Рычаг управления регулятором Под заказ шт 495 ₽495 ₽
6
236-1110154-А Прокладка крышки регулятора Под заказ -
7
236-1110394 Кольцо уплотнительное в сборе Под заказ -
8
240Б-1110414-Б Пружина корректора Под заказ -
9
60.1110438 Пружина рычага рейки с зацепом в сборе Под заказ -
10
90.1110462 Пружина регулятора Под заказ -
11
236-1110479 Кольцо уплотнительное втулки вала рычага Под заказ шт 17 ₽17 ₽
12
236-1110482 Кольцо уплотнительное Под заказ -
13
236-1110499-А3 Прокладка крышки смотрового люка Под заказ -
14
236-1110517-Б2 Сухарь шестерни Под заказ -
15
200 Подшипник шариковый радиальный однорядный 10х30х9 Под заказ -
16
202-А Подшипник Под заказ -
Содержащиеся в справочниках-каталогах запасные части и детали не предлагаются к продаже, а носят исключительно информационный характер


Наши преимущества