Каталог запасных частей к технике: ЯМЗ-8401. Картер маховика и механизм проворота

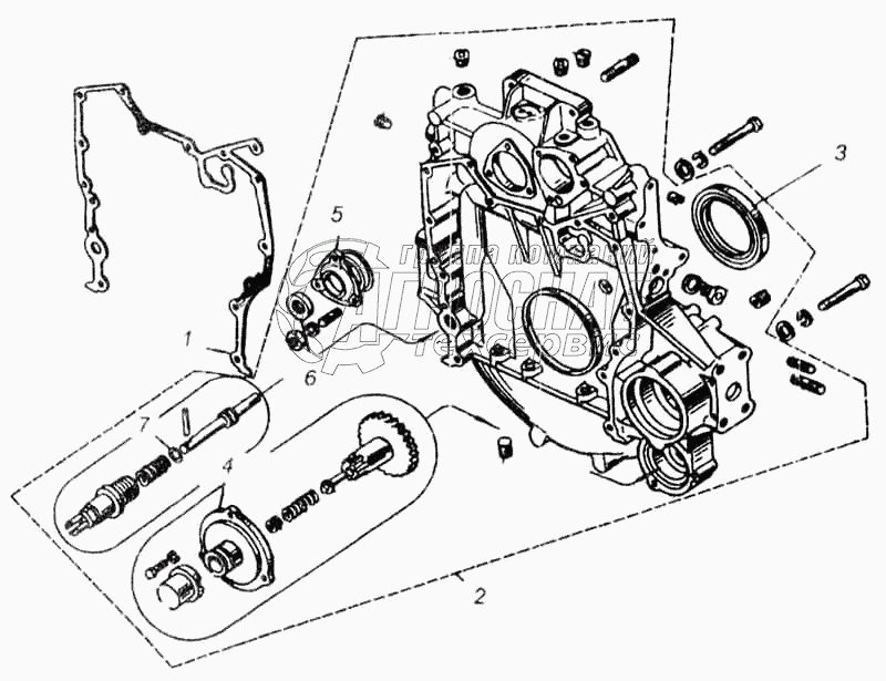
Картер маховика и механизм проворота

zoom-in zoom-out enlarge shrink circle-right circle-left file-text2 info cart
1
2
3
4
5
6
7
8
Изображение Артикул товара Наименование Наличие Единица измерения Количество Цена Корзина
1
840.1002314 Прокладка картера Под заказ -
2
840.1002310-60 Картер маховика в сборе Под заказ -
3
840.1002310-50 Картер маховика Под заказ -
4
840.1005160 Манжета задняя в сборе Под заказ -
5
840.1005688 Колпачок Под заказ -
6
840.1029172 Корпус переднего подшипника Под заказ -
7
840.1029438-01 Манжета Под заказ -
8
238Н-1722063 Кольцо уплотнительное В наличии шт 29 ₽29 ₽
Содержащиеся в справочниках-каталогах запасные части и детали не предлагаются к продаже, а носят исключительно информационный характер


Наши преимущества